Трубопроводный насос IRG ISW ISWB представляет собой вертикальный центробежный насос. Он подходит для перекачивания чистой воды без абразивных частиц и жидкостей, химически неагрессивных к материалам насоса. Эта серия может использоваться для подачи и транспортировки воды в системах охлаждения, отопления, циркуляции и кондиционирования воздуха, а также для пожаротушения и промышленного применения. Насосы следует устанавливать в помещении или, по крайней мере, в месте, защищенном от атмосферных воздействий.
1. Максимальное давление насосной системы составляет 1,6 МПа, т.е. давление на входе насоса + давление насоса составляет 1,6 МПа. (При заказе указывайте рабочее давление системы, рабочее давление насосной системы более 1,6 МПа, при заказе предъявляется отдельно. Проточная и присоединительная части насоса при изготовлении изготавливаются из чугуна.)
2. Применимая среда: твердое нерастворимое вещество с объемной долей не более 0,1% на единицу объема и размером частиц не более 0,2 мм (среда с мелкими частицами должна быть износостойкой, механическую герметичность указывать при заказе).
3. Температура окружающей среды не превышает 40°С, относительная температура не превышает 95°С, высота над уровнем моря не превышает 1000м.
ЭТО ПОЗАДИ 50 - 160 - 3
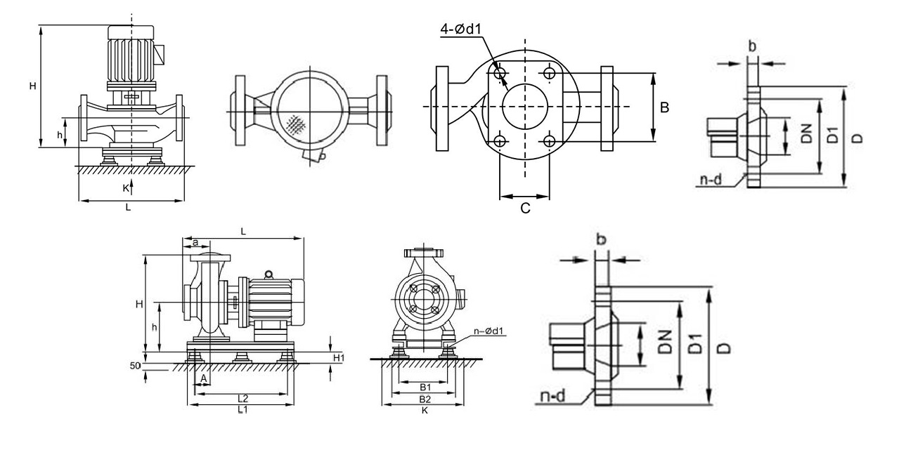
① IRG: вертикальный трубопроводный насос.
② 50: Калибр (мм)
③ 160: диаметр кольца (мм)
④ 3: Мощность (кВт)
| Тип | Поток Q | усилие m |
Эффективность (%) |
Синхронизация Скорость вращения об/мин |
Электродвигатель Власть КВт |
Обязательная подача кавитации (м) |
Установка вертикальной пластинки | Размер горизонтального насоса | Размер фланца | Виброизоляция | H1 | |||||||||||||
| м³/ч | Л/С | H | L | h | B | C | H | h | a | Л1 | L | Л2 | Б1 | D | Д1 | н-д | Спецификация | |||||||
| 25-125 |
2.8 4 5.2 |
0.78 1.11 1.44 |
20.6 20 18 |
28 36 35 |
2900 | 0.75 | 2.3 | 430 | 275 | 70 | 80 | 50 | 320 | 180 | 90 | 405 | 445 | 210 | 260 | Φ115 | Φ85 | 4-F16 | СД41-0,5 | 20 |
| 25-125А |
2.5 3.6 4.6 |
0.69 1.0 1.28 |
17 16 14.4 |
27 35 34 |
2900 | 0.75 | 2.3 | 430 | 275 | 70 | 80 | 50 | 320 | 180 | 90 | 405 | 445 | 210 | 260 | Φ115 | Φ85 | 4-F16 | СД41-0,5 | 20 |
| 25-160 |
2.8 4 5.2 |
0.78 1.11 1.44 |
33 32 30 |
24 32 33 |
2900 | 1.5 | 2.3 | 455 | 320 | 75 | 100 | 60 | 320 | 180 | 90 | 440 | 470 | 250 | 300 | Φ115 | Φ85 | 4-F16 | СД41-0,5 | 20 |
| 25-160А |
2.6 3.7 4.9 |
0.72 1.03 1.36 |
29 28 26 |
22 31 32 |
2900 | 1.1 | 2.3 | 440 | 320 | 75 | 100 | 60 | 320 | 180 | 90 | 440 | 455 | 250 | 300 | Φ115 | Φ85 | 4-F16 | СД41-0,5 | 20 |
| 32-125 |
3.5 5 6.5 |
0.97 1.39 1.8 |
22 20 18 |
40 44 42 |
2900 | 0.75 | 2.3 | 445 | 270 | 75 | 100 | 60 | 320 | 180 | 90 | 440 | 455 | 250 | 310 | Φ140 | Φ100 | 4-F16 | СД41-0,5 | 20 |
| 32-125А |
3.1 4.5 5.8 |
0.86 1.25 1.61 |
17.6 16 14.4 |
38 42 40 |
2900 | 0.75 | 2.3 | 445 | 270 | 75 | 100 | 60 | 320 | 180 | 90 | 440 | 455 | 250 | 310 | Φ140 | Φ100 | 4-F16 | СД41-0,5 | 20 |
| Тип | Поток Q | усилие m |
Эффективность (%) |
Синхронизация Скорость вращения об/мин |
Электродвигатель Власть КВт |
Обязательная подача кавитации (м) |
Установка вертикальной пластинки | Размер горизонтального насоса | Размер фланца | Виброизоляция | H1 | |||||||||||||
| м³/ч | Л/С | H | L | h | B | C | H | h | a | Л1 | L | Л2 | Б1 | D | Д1 | н-д | Спецификация | |||||||
| 40-100 |
4.4 6.3 8.3 |
1.22 1.75 2.31 |
13.2 12.5 11.3 |
48 54 53 |
2900 | 0.75 | 2.3 | 410 | 270 | 85 | 120 | 70 | 260 | 145 | 95 | 405 | 460 | 260 | 125 | Φ150 | Φ110 | 4-F18 | СД41-0,5 | 20 |
| 40-100А |
3.9 5.6 7.4 |
1.08 1.56 2.06 |
10.6 10 9 |
45 52 50 |
2900 | 0.75 | 2.3 | 410 | 270 | 85 | 120 | 70 | 260 | 145 | 95 | 405 | 460 | 260 | 125 | Φ150 | Φ110 | 4-F18 | СД41-0,5 | 20 |
| 40-125 |
4.4 6.3 8.3 |
1.22 1.75 2.31 |
21 20 18 |
41 46 43 |
2900 | 1.1 | 2.3 | 410 | 285 | 85 | 120 | 70 | 305 | 165 | 80 | 405 | 445 | 210 | 260 | Φ150 | Φ110 | 4-F18 | СД41-0,5 | 20 |
| 40-125А |
3.9 5.6 7.4 |
1.08 1.56 2.06 |
17.6 16 14.4 |
40 45 41 |
2900 | 0.75 | 2.3 | 410 | 285 | 85 | 120 | 70 | 305 | 165 | 80 | 405 | 445 | 210 | 260 | Φ150 | Φ110 | 4-F18 | СД41-0,5 | 20 |
| 40-160 |
4.4 6.3 8.3 |
1.22 1.75 2.31 |
33 32 30 |
35 40 40 |
2900 | 2.2 | 2.3 | 445 | 325 | 80 | 120 | 70 | 375 | 210 | 85 | 455 | 489 | 250 | 310 | Φ150 | Φ110 | 4-F18 | СД41-0,5 | 20 |
| 40-160А |
4.1 5.9 7.8 |
1.44 1.64 2.17 |
29 28 26.3 |
34 39 39 |
2900 | 1.5 | 2.3 | 420 | 325 | 80 | 120 | 70 | 375 | 210 | 85 | 455 | 465 | 250 | 310 | Φ150 | Φ110 | 4-F18 | СД41-0,5 | 20 |
| 40-160Б |
3.8 5.5 7.2 |
1.06 1.53 2.0 |
25.5 24 225 |
34 38 37 |
2900 | 1.1 | 2.3 | 405 | 325 | 80 | 120 | 70 | 370 | 205 | 85 | 455 | 450 | 210 | 260 | Φ150 | Φ110 | 4-F18 | СД41-0,5 | 20 |
| Тип | Поток Q | усилие m |
Эффективность (% ) |
Синхронизация Скорость вращения об/мин |
Электродвигатель Власть КВт |
Обязательная кавитация Остаток (м) |
Установка вертикальных насосов | Размер горизонтального насоса | Размер фланца | Виброизоляция | H1 | |||||||||||||||
| м³/ч | Л/С | H | L | h | B | C | H | h | a | Л1 | L | Л2 | Б1 | D | Д1 | н-д | Спецификация | |||||||||
| 40-200 |
4.4 6.3 8.3 |
1.22 1.75 2.31 |
51 50 48 |
26 33 32 |
2900 | 4 | 2.3 | 525 | 345 | 70 | 130 | 80 | 405 | 230 | 85 | 490 | 560 | 300 | 350 | Φ150 | Φ110 | 4-F18 | СД41-0,5 | 20 | ||
| 40-200А |
4.1 5.9 7.8 |
1.14 1.64 2.17 |
45 44 42 |
26 31 30 |
2900 | 3 | 2.3 | 495 | 345 | 70 | 130 | 80 | 405 | 230 | 85 | 490 | 530 | 300 | 350 | Φ150 | Φ110 | 4-F18 | СД41-0,5 | 20 | ||
| 40-200б |
3.7 5.3 7.0 |
1.08 1.47 1.94 |
38 36 34.5 |
23 29 24 |
2900 | 2.2 | 2.3 | 470 | 345 | 90 | 130 | 80 | 395 | 220 | 85 | 455 | 505 | 280 | 310 | Φ150 | Φ110 | 4-F18 | СД41-0,5 | 20 | ||
| 40-250 |
4.4 6.3 8.3 |
1.22 1.75 2.31 |
82 80 75 |
24 28 28 |
2900 | 7.5 | 2.3 | 580 | 405 | 100 | 130 | 80 | 455 | 255 | 80 | 540 | 625 | 340 | 380 | Φ150 | Φ110 | 4-F18 | СД41-0,5 | 20 | ||
| 40-250А |
4.1 5.9 7.8 |
1.14 1.64 2.17 |
72 70 65 |
24 28 27 |
2900 | 5.5 | 2.3 | 580 | 405 | 100 | 130 | 80 | 455 | 255 | 80 | 540 | 625 | 340 | 380 | Φ150 | Φ110 | 4-F18 | СД41-0,5 | 20 | ||
| 40-250Б |
3.8 5.5 7.0 |
1.06 1.53 1.94 |
61.5 60 56 |
23 27 26 |
2900 | 4 | 2.3 | 535 | 405 | 100 | 130 | 80 | 455 | 255 | 80 | 540 | 570 | 340 | 380 | Φ150 | Φ110 | 4-F18 | СД41-0,5 | 20 | ||
| 40-100(И) |
8.8 12.5 16.3 |
2.44 3.47 4.53 |
13.2 12.5 11.3 |
55 62 60 |
2900 | 1.1 | 2.3 | 420 | 300 | 95 | 120 | 70 | 290 | 145 | 80 | 405 | 470 | 210 | 260 | Φ150 | Φ110 | 4-F18 | СД41-0,5 | 20 | ||
| Тип | Поток Q | усилие m |
Эффективность (%) |
Синхронизация Скорость вращения об/мин |
Электродвигатель Власть КВт |
Обязательная подача кавитации (м) |
Установка вертикальной пластинки | Размер горизонтального насоса | Размер фланца | Виброизоляция | H1 | ||||||||||||||
| м³/ч | Л/С | H | L | h | B | C | H | h | a | Л1 | L | Л2 | Б1 | D | Д1 | н-д | Спецификация | ||||||||
| 40-100(И)А |
8 11 14.5 |
2.22 3.05 4.06 |
10.6 10 9 |
52 60 56 |
2900 | 0.75 | 2.3 | 420 | 300 | 95 | 120 | 70 | 290 | 145 | 80 | 405 | 470 | 210 | 260 | Φ150 | Φ110 | 4-F18 | СД41-0,5 | 20 | |
| 40-125(И) |
8.8 12.6 16.3 |
2.44 3.47 4.53 |
21.2 20 17.8 |
49 58 57 |
2900 | 1.5 | 2.3 | 430 | 305 | 90 | 120 | 70 | 320 | 170 | 90 | 440 | 480 | 250 | 300 | Φ150 | Φ110 | 4-F18 | СД41-0,5 | 20 | |
| 40-125(И)А |
8 11 14.5 |
2.22 3.05 4.03 |
17 16 14 |
47 57 54 |
2900 | 1.1 | 2.3 | 415 | 305 | 90 | 120 | 70 | 315 | 165 | 90 | 440 | 465 | 210 | 260 | Φ150 | Φ110 | 4-F18 | СД41-0,5 | 20 | |
| 40-160(И) |
8.8 12.5 16.3 |
2.44 3.47 4.53 |
33 32 30 |
45 52 52 |
2900 | 3.0 | 2.3 | 505 | 325 | 100 | 130 | 80 | 380 | 220 | 85 | 485 | 540 | 280 | 320 | Φ150 | Φ110 | 4-F18 | СД41-0,5 | 20 | |
| 40-160(И)А |
8.2 11.7 15.2 |
2.28 3.25 4.22 |
29 28 26 |
44 41 50 |
2900 | 2.2 | 2.3 | 465 | 325 | 100 | 130 | 80 | 380 | 220 | 85 | 455 | 495 | 280 | 310 | Φ150 | Φ110 | 4-F18 | СД41-0,5 | 20 | |
| 40-160(И)Б |
7.8 10.4 13.5 |
2.38 2.89 3.75 |
23 22 20.5 |
44 49 47 |
2900 | 1.5 | 2.3 | 440 | 325 | 100 | 130 | 80 | 380 | 220 | 85 | 455 | 495 | 280 | 310 | Φ150 | Φ110 | 4-F18 | СД41-0,5 | 20 | |
| Тип | Поток Q | усилие m |
Эффективность (%) |
Синхронизация Скорость вращения об/мин |
Электродвигатель Власть КВт |
Обязательная подача кавитации (м) |
Установка вертикальной пластинки | Размер горизонтального насоса | Размер фланца | Виброизоляция | H1 | |||||||||||||
| м³/ч | Л/С | H | L | h | B | C | H | h | a | Л1 | L | Л2 | Б1 | D | Д1 | н-д | Спецификация | |||||||
| 40-200(И) |
8.8 12.5 16.3 |
2.44 3.47 4.53 |
51.2 50 48 |
38 46 46 |
2900 | 5.5 | 2.3 | 580 | 345 | 95 | 130 | 80 | 400 | 220 | 100 | 535 | 590 | 340 | 340 | Φ150 | Φ110 | 4-F18 | СД41-0,5 | 20 |
| 40-200(И)А |
8.3 11.7 15.3 |
2.31 3.25 4.25 |
45 44 42 |
37 45 45 |
2900 | 4 | 2.3 | 530 | 345 | 95 | 130 | 80 | 400 | 220 | 100 | 490 | 580 | 300 | 340 | Φ150 | Φ110 | 4-F18 | СД41-0,5 | 20 |
| 40-200(И)Б |
7.5 10.6 13.8 |
2.08 2.94 3.83 |
37 36 34 |
35 44 42 |
2900 | 3 | 2.3 | 500 | 345 | 95 | 130 | 80 | 410 | 230 | 100 | 490 | 550 | 300 | 340 | Φ150 | Φ110 | 4-F18 | СД41-0,5 | 20 |
| 40-250(И) |
8.8 12.5 16.3 |
2.44 3.47 4.53 |
81.2 80 77.5 |
31 38 40 |
2900 | 11 | 2.3 | 675 | 440 | 100 | 160 | 100 | 495 | 270 | 100 | 640 | 735 | 430 | 430 | Φ150 | Φ110 | 4-F18 | СД41-0,5 | 20 |
| 40-250(И)А |
8.2 11.6 15.2 |
2.28 3.22 4.22 |
71 70 68 |
28 38 39 |
2900 | 7.5 | 2.3 | 585 | 440 | 100 | 160 | 100 | 480 | 255 | 100 | 540 | 645 | 340 | 380 | Φ150 | Φ110 | 4-F18 | СД41-0,5 | 20 |
| 40-250(И)Б |
7.6 10.8 14 |
2.11 3 3.89 |
61.4 60 58 |
28 37 37 |
2900 | 7.5 | 2.3 | 585 | 440 | 100 | 160 | 100 | 480 | 255 | 100 | 540 | 645 | 340 | 380 | Φ150 | Φ110 | 4-F18 | СД41-0,5 | 20 |
| Тип | Поток Q | усилие m |
Эффективность (%) |
Синхронизация Скорость вращения об/мин |
Электродвигатель Власть КВт |
Обязательная подача кавитации (м) |
Установка вертикальной пластинки | Размер горизонтального насоса | Размер фланца | Виброизоляция | H1 | |||||||||||||
| м³/ч | Л/С | H | L | h | B | C | H | h | a | Л1 | L | Л2 | Б1 | D | Д1 | н-д | Спецификация | |||||||
| 40-250(И)С |
7.1 10 13.1 |
1.97 2.78 3.64 |
53.2 52 50.4 |
26 36 35 |
2900 | 5.5 | 2.3 | 585 | 440 | 100 | 160 | 100 | 480 | 255 | 100 | 540 | 645 | 340 | 380 | Φ150 | Φ110 | 4-F18 | СД41-0,5 | 20 |
| 50-100 |
8.8 12.5 16.3 |
2.44 3.47 4.53 |
13.6 12.5 11.3 |
55 62 60 |
2900 | 1.1 | 2.3 | 420 | 300 | 95 | 120 | 70 | 290 | 145 | 80 | 405 | 470 | 210 | 260 | Φ165 | Φ125 | 4-F18 | СД41-0,5 | 20 |
| 50-100А |
8 11 14.5 |
2.22 3.05 4.03 |
11 10 9 |
52 60 56 |
2900 | 0.75 | 2.3 | 420 | 300 | 95 | 120 | 70 | 290 | 145 | 80 | 405 | 470 | 210 | 260 | Φ165 | Φ125 | 4-F18 | СД41-0,5 | 20 |
| 50-125 |
8.8 12.5 16.3 |
2.44 3.47 4.53 |
21.5 20 17.8 |
49 58 57 |
2900 | 1.5 | 2.3 | 430 | 305 | 90 | 120 | 70 | 320 | 170 | 90 | 440 | 480 | 250 | 300 | Φ165 | Φ125 | 4-F18 | СД41-0,5 | 20 |
| 50-125А |
8 11 14.5 |
2.22 3.05 4.03 |
17 16 14 |
47 57 54 |
2900 | 1.1 | 2.3 | 415 | 305 | 90 | 120 | 70 | 315 | 165 | 90 | 405 | 465 | 210 | 260 | Φ165 | Φ125 | 4-F18 | СД41-0,5 | 20 |
| 50-160 |
8.8 12.5 16.3 |
2.44 3.47 4.53 |
33 32 30 |
45 52 51 |
2900 | 3 | 2.3 | 505 | 325 | 100 | 130 | 80 | 385 | 220 | 85 | 485 | 535 | 280 | 320 | Φ165 | Φ125 | 4-F18 | СД41-0,5 | 20 |
| 50-160А |
8.2 11.7 15.2 |
2.28 3.25 4.22 |
29 28 26 |
44 51 50 |
2900 | 2.2 | 2.3 | 465 | 325 | 100 | 130 | 80 | 385 | 220 | 85 | 455 | 495 | 280 | 310 | Φ165 | Φ125 | 4-F18 | СД41-0,5 | 20 |
| Тип | Поток Q | усилие m |
Эффективность (%) |
Синхронизация Скорость вращения об/мин |
Электродвигатель Власть КВт |
Обязательная подача кавитации (м) |
Установка вертикальной пластинки | Размер горизонтального насоса | Размер фланца | Виброизоляция | H1 | |||||||||||||
| м³/ч | Л/С | H | L | h | B | C | H | h | a | Л1 | L | Л2 | Б1 | D | Д1 | н-д | Спецификация | |||||||
| 50-160Б |
7.3 10.4 13.5 |
2.38 2.89 2.75 |
23 22 20.5 |
42 49 47 |
2900 | 1.5 | 2.3 | 440 | 325 | 100 | 130 | 80 | 385 | 220 | 85 | 455 | 470 | 280 | 310 | Φ165 | Φ125 | 4-F18 | СД41-0,5 | 20 |
| 50-200 |
8.8 12.5 16.3 |
2.44 3.47 4.53 |
52 45 45 |
38 46 46 |
2900 | 5.5 | 2.3 | 580 | 345 | 95 | 130 | 80 | 400 | 220 | 85 | 535 | 635 | 340 | 340 | Φ165 | Φ125 | 4-F18 | СД41-0,5 | 20 |
| 50-200А |
8.3 11.7 15.3 |
2.31 3.25 4.25 |
45.8 44 42 |
37 45 45 |
2900 | 4 | 2.3 | 530 | 345 | 95 | 130 | 80 | 400 | 220 | 85 | 490 | 580 | 300 | 340 | Φ165 | Φ125 | 4-F18 | СД41-0,5 | 20 |
| 50-200б |
7.5 10.6 13.8 |
2.08 2.94 3.83 |
37 36 34 |
35 44 42 |
2900 | 3 | 2.3 | 500 | 345 | 100 | 130 | 80 | 400 | 220 | 85 | 490 | 555 | 300 | 340 | Φ165 | Φ125 | 4-F18 | СД41-0,5 | 20 |
| 50-250 |
8.8 12.5 16.3 |
2.44 3.47 4.53 |
82 80 77.5 |
29 25 40 |
2900 | 11 | 2.3 | 685 | 445 | 110 | 160 | 100 | 495 | 270 | 100 | 640 | 735 | 430 | 430 | Φ165 | Φ125 | 4-F18 | СД41-0,5 | 20 |
| 50-250А |
8.2 11.6 15.2 |
2.28 3.22 4.22 |
71.5 70 68 |
28 38 39 |
2900 | 7.5 | 2.3 | 595 | 445 | 110 | 160 | 100 | 480 | 255 | 100 | 540 | 645 | 340 | 380 | Φ165 | Φ125 | 4-F18 | СД41-0,5 | 20 |
| Тип | Поток Q | усилие m |
Эффективность (%) |
Синхронизация Скорость вращения об/мин |
Электродвигатель Власть КВт |
Обязательная подача кавитации (м) |
Установка вертикальной пластинки | Размер горизонтального насоса | Размер фланца | Виброизоляция | H1 | |||||||||||||
| м³/ч | Л/С | H | L | h | B | C | H | h | a | Л1 | L | Л2 | Б1 | D | Д1 | н-д | Спецификация | |||||||
| 50-250Б |
7.6 10.8 14 |
2.11 3 3.89 |
61.4 60 58 |
28 37 37 |
2900 | 7.5 | 2.3 | 595 | 445 | 110 | 160 | 100 | 480 | 255 | 100 | 540 | 645 | 340 | 380 | Φ165 | Φ125 | 4-F18 | СД41-0,5 | 20 |
| 50-250С |
7.1 10 13.1 |
1.97 2.78 3.64 |
53.2 52 50.4 |
26 36 35 |
2900 | 5.5 | 2.3 | 595 | 445 | 110 | 160 | 100 | 480 | 255 | 100 | 540 | 645 | 340 | 380 | Φ165 | Φ125 | 4-F18 | СД41-0,5 | 20 |
| 50-100(И) |
17.5 25 |
4.86 6.94 |
13.7 12.5 |
67 69 |
2900 | 1.5 | 2.5 | 440 | 320 | 100 | 160 | 100 | 370 | 210 | 95 | 440 | 510 | 300 | 350 | Φ165 | Φ125 | 4-F18 | СД41-0,5 | 20 |
| 50-100(И)А |
15.6 22.3 29 |
4.3 6.19 8.1 |
11 10 8.4 |
65 67 68 |
2900 | 1.1 | 2.5 | 425 | 320 | 100 | 160 | 100 | 370 | 210 | 95 | 440 | 470 | 250 | 300 | Φ165 | Φ125 | 4-F18 | СД41-0,5 | 20 |
| 50-125(И) |
17.5 25 32.5 |
4.86 6.94 9.03 |
21.5 20 18 |
60 68 67 |
2900 | 3 | 2.5 | 480 | 345 | 105 | 160 | 100 | 365 | 220 | 105 | 455 | 555 | 280 | 310 | Φ165 | Φ125 | 4-F18 | СД41-0,5 | 20 |
| 50-125(И)А |
15.6 22.3 |
4.33 6.19 |
17 16 |
58 66 |
2900 | 2.2 | 2.5 | 480 | 345 | 105 | 160 | 100 | 365 | 220 | 105 | 455 | 515 | 280 | 310 | Φ165 | Φ125 | 4-F18 | СД41-0,5 | 20 |
| 50-160(И) |
17.5 25 32.5 |
4.86 6.94 9.03 |
34.4 32 27.5 |
54 63 60 |
2900 | 4 | 2.5 | 540 | 365 | 105 | 160 | 100 | 405 | 230 | 80 | 505 | 665 | 280 | 350 | Φ165 | Φ125 | 4-F18 | СД41-0,5 | 20 |
| Тип | Поток Q | усилие m |
Эффективность (%) |
Синхронизация Скорость вращения об/мин |
Электродвигатель Власть КВт |
Обязательная подача кавитации (м) |
Установка вертикальной пластинки | Размер горизонтального насоса | Размер фланца | Виброизоляция | H1 | |||||||||||||
| м³/ч | Л/С | H | L | h | B | C | H | h | a | Л1 | L | Л2 | Б1 | D | Д1 | н-д | Спецификация | |||||||
| 50-160(И)А |
16.4 23.4 30.4 |
4.56 6.5 8.44 |
30 28 24 |
54 52 59 |
2900 | 4 | 2.3 | 540 | 365 | 105 | 160 | 100 | 405 | 230 | 80 | 505 | 665 | 300 | 350 | Φ165 | Φ125 | 4-F18 | СД41-0,5 | 20 |
| 50-160(И)Б |
15 21.6 28 |
4.17 6 7.78 |
26 24 20.6 |
49 58 54 |
2900 | 3 | 2.3 | 510 | 365 | 105 | 160 | 100 | 405 | 230 | 85 | 505 | 640 | 300 | 350 | Φ165 | Φ125 | 4-F18 | СД41-0,5 | 20 |
| 50-200(И) |
17.5 25 32.5 |
4.86 6.94 9.03 |
52.7 50 45.5 |
49 58 59 |
2900 | 7.5 | 2.3 | 595 | 390 | 105 | 160 | 100 | 405 | 220 | 100 | 535 | 640 | 340 | 340 | Φ165 | Φ125 | 4-F18 | СД41-0,5 | 20 |
| 50-200(И)А |
16.4 23.5 30.5 |
4.56 6.53 8.47 |
46.4 44 40 |
48 57 58 |
2900 | 7.5 | 2.3 | 595 | 390 | 105 | 160 | 100 | 405 | 220 | 100 | 535 | 640 | 340 | 340 | Φ165 | Φ125 | 4-F18 | СД41-0,5 | 20 |
| 50-200(И)Б |
15.2 21.8 28.3 |
4.22 6.06 7.86 |
40 38 34.5 |
45 55 55 |
2900 | 5.5 | 2.3 | 595 | 390 | 105 | 160 | 100 | 405 | 220 | 100 | 535 | 640 | 340 | 340 | Φ165 | Φ125 | 4-F18 | СД41-0,5 | 20 |
| 50-250(И) |
17.5 25 32.5 |
4.86 6.94 9.03 |
82 80 76.5 |
39 50 52 |
2900 | 15 | 2.3 | 695 | 485 | 120 | 180 | 120 | 515 | 270 | 105 | 695 | 740 | 430 | 440 | Φ165 | Φ125 | 4-F18 | СД41-0,5 | 20 |
| 50-250(И)А |
16.4 23.4 30.5 |
4.56 6.5 8.47 |
71.5 70 67 |
39 50 52 |
2900 | 11 | 2.3 | 695 | 485 | 120 | 180 | 120 | 515 | 270 | 105 | 695 | 740 | 430 | 440 | Φ165 | Φ125 | 4-F18 | СД41-0,5 | 20 |
| Тип | Поток Q | усилие m |
Эффективность (%) |
Синхронизация Скорость вращения об/мин |
Электродвигатель Власть КВт |
Обязательная подача кавитации (м) |
Установка вертикальной пластинки | Размер горизонтального насоса | Размер фланца | Виброизоляция | H1 | |||||||||||||
| м³/ч | Л/С | H | L | h | B | C | H | h | a | Л1 | L | Л2 | Б1 | D | Д1 | н-д | Спецификация | |||||||
| 50-250(И)Б |
15 21.6 28 |
4.17 6 7.78 |
61 60 57.4 |
38 49 54 |
2900 | 11 | 2.3 | 695 | 485 | 120 | 180 | 120 | 515 | 270 | 105 | 695 | 740 | 430 | 440 | Φ165 | Φ125 | 4-F18 | СД41-0,5 | 20 |
| 50-315(И) |
17.5 25 32.5 |
4.86 6.94 9.03 |
128 125 122 |
30 40 44 |
2900 | 30 | 2.5 | 865 | 550 | 130 | 180 | 120 | 565 | 290 | 130 | 740 | 930 | 405 | 460 | Φ165 | Φ125 | 4-F18 | СД41-0,5 | 20 |
| 50-315(И)А |
16.6 23.7 31 |
4.61 6.58 8.6 |
115 113 110 |
30 40 44 |
2900 | 22 | 2.5 | 785 | 550 | 130 | 180 | 120 | 565 | 290 | 130 | 740 | 850 | 405 | 460 | Φ165 | Φ125 | 4-F18 | СД41-0,5 | 20 |
| 50-315(И)Б |
15.7 22.5 29.2 |
4.36 6.25 8 |
103 101 98 |
30 39 42 |
2900 | 18.5 | 2.5 | 785 | 550 | 130 | 180 | 120 | 565 | 290 | 130 | 740 | 850 | 405 | 460 | Φ165 | Φ125 | 4-F18 | СД41-0,5 | 20 |
| 50-315(И)С |
14.4 20.6 26.8 |
4 5.72 7.44 |
86 85 83 |
38 46 40 |
2900 | 15 | 2.5 | 705 | 550 | 130 | 180 | 120 | 565 | 290 | 130 | 740 | 770 | 405 | 460 | Φ165 | Φ125 | 4-F18 | СД41-0,5 | 20 |
| 65-100 |
17.5 25 32.5 |
4.86 6.94 9.03 |
13.7 12.5 10.5 |
67 69 69 |
2900 | 1.5 | 2.5 | 495 | 325 | 95 | 160 | 100 | 380 | 220 | 95 | 455 | 510 | 280 | 310 | Φ165 | Φ125 | 4-F18 | СД41-0,5 | 20 |