Высокопроизводительный канализационный насос WQU
  • Высокопроизводительный канализационный насос WQU Высокопроизводительный канализационный насос WQU

Высокопроизводительный канализационный насос WQU

Высокопроизводительный канализационный насос WQU подходит для химической промышленности, нефтяной промышленности, фармацевтической промышленности, горнодобывающей промышленности, бумажной промышленности, цементных заводов, сталелитейных заводов, электростанций, углеперерабатывающей промышленности, городских очистных сооружений, муниципального строительства, строительных площадок и других отраслей промышленности. Он может перекачивать сточные воды, содержащие частицы, и чистую воду. Поскольку максимальный размер прохода для твердых частиц составляет 80 мм, насос может перекачивать грязь и мусор с частицами большого диаметра, что делает его пригодным для транспортировки и сброса сточных вод. При перекачивании сточных вод насос оснащается утолщенным основанием, имеющим большой водоотвод и может использоваться в различных канализационных системах; при перекачке чистой воды фильтрация хорошая, срок службы длительный.

Отправить запрос

Описание продукта

Высокопроизводительный канализационный насос WQU

ассортимент продукции

80 WQU 2 7.5
Выходной размер
Тип насоса
Двухполюсный двигатель
Власть
Размер выхода (мм) Тип насоса Двухполюсный двигатель Мощность (кВт)


характеристика дальности

Мощность/Мощь 1,5-7,5 кВт
Поляки/Полюсы 2
Калибр/Разряд Ду65-80
Макс. Расход/Макс. расход 80м³/ч
Макс.давление/Макс. напор 33 м
Проход почвы 45 мм


Приложения


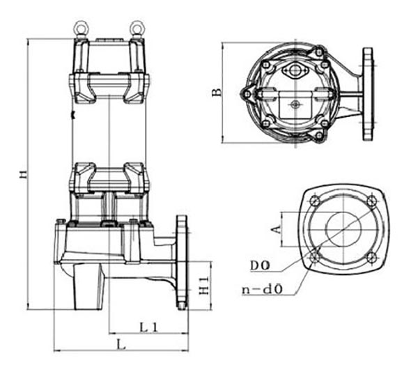
Размер

Тип
Тип
Калибр
A
(мм)
L
(мм)
Л1
(мм)
B
(мм)
H
(мм)
H1
(мм)
Д0
(мм)
н-д0
(мм)
50WQU2-1,5 50 250 147 186 506 91 110 13
50WQU2-2,2 50 250 147 186 506 91 110 13
80(65)ВКУ2-1,5 65 250 147 186 506 91 150 18
80(65)ВКУ2-2,2 65 250 147 186 506 91 150 18
80(65)WQU2-3,7 65 268 161 215 586 91 150 18
80(65)WQU2-5,5 65 320 192 256 627 104 150 18
80(65)WQU2-7,5 65 320 192 256 627 104 150 18
100WQU4-5,5 100 398 231 345 854 104 170 18
100WQU4-7,5 100 398 231 345 854 104 170 18
150WQU4-7,5 150 403 236 345 890 140 225 18


Подводные электрические насосы для сточных вод большой производительности серии WQU

Таблица параметров водолазных насосов большой производительности для сточных вод серии WQU

ТИП
ТИП
Напряжение
Напряжение
(В)
Власть Выход Пропустить размер частиц
Размер пропускаемых частиц (мм)
Рейтинг. Поток
Q.rated
(м³/ч)
Номинальный напор
H.rated
(м)
Макс. Поток
Q.max
(м³/ч)
Макс. Усилие
H.max
(м)
Масса
Г.В.
(кг)
Размер посылки
Размер посылки (см)
(КВт) (ХП) (дюйм) (мм)
50WQU2-1,5 3Ф/380В 1.5 2 2" 50 50 24 8.5 39 14.3 36.3 58*26*20
50WQU2-2,2 3Ф/380В 2.2 3 2" 50 50 20 12 43 16.4 37.7 58*26*20
80(65WQU2-1,5 3Ф/380В 1.5 2 3 дюйма (2,5 дюйма) 80(65) 50 24 8.5 39 14.3 38.34 58*26*20
80(65)ВКУ2-2,2 3Ф/380В 2.2 3 3 дюйма (2,5 дюйма) 80(65) 50 20 12 43 16.4 39.72 58*26*20
80(65)WQU2-3,7 3Ф/380В 3.7 5 3 дюйма (2,5 дюйма) 80(65) 50 40 14 64 23.5 57.34 68*29*33
80(65)WQU2-5,5 3Ф/380В 5.5 7.5 3 дюйма (2,5 дюйма) 80(65) 50 36 20 74 28 82.1 70*33*26
80(65)WQU2-7,5 3Ф/380В 7.5 10 3 дюйма (2,5 дюйма) 80(65) 50 36 24 80 33 84.2 70*33*26
100WQU4-5,5 3Ф/380В 5.5 7.5 4" 100 80 60 11 153 14.4 164 48*43*98
100WQU4-7,5 3Ф/380В 7.5 10 4" 100 80 60 13 160 16.5 170
150WQU4-5,5 3Ф/380В 5.5 7.5 6 дюймов 150 80 70 10 158 14 171
150WQU4-7,5 3Ф/380В 7.5 10 6 дюймов 150 80 70 12 165 16.1 176





Горячие Теги: Высокопроизводительный канализационный насос WQU, Китай, Производитель, Поставщик, Фабрика, Индивидуальные, Качество, Последние продажи, На складе, Бренды, CE, Тайчжоу
X
Мы используем файлы cookie, чтобы предложить вам лучший опыт просмотра, анализировать трафик сайта и персонализировать контент. Используя этот сайт, вы соглашаетесь на использование нами файлов cookie. политика конфиденциальности
Отклонять Принимать