Чугунные канализационные насосы WQD-C 2P — это базовые погружные канализационные насосы с вихревыми рабочими колесами. Доступен широкий спектр моделей, которые можно легко установить вместе с системами рельсовых соединений или использовать независимо с гибкими шланговыми или фланцевыми соединениями. Обладая превосходной надежностью и долговечностью, насос во время работы должен быть полностью погружен в воду. Он может работать непрерывно в течение длительного времени. Таким образом, они способствуют стабильной работе оборудования насосных станций и очистных сооружений, а также помогают существенно снизить затраты на техническое обслуживание. Данные насосы активно используются на многих очистных сооружениях, насосных станциях, противопаводковых объектах, аквапарках. Короче говоря, серия WQ отражает наш многолетний опыт и знания и поэтому может применяться в различных областях и приложениях.
|
Основание кабеля из эпоксидной смолы Сердечник кабеля из эпоксидной смолы предотвращает попадание влаги в двигатель через сердечник. |
|
Автоматическая защита двигателя резки Автоматическое отключение тепловой защиты. Если двигатель работает с аномальной и чрезмерной мощностью, автоматический выключатель сработает и автоматически отключит питание. |
|
Красивый прецизионный чугун Использование 3 тяжелых подшипников мощностью 3 кВт. |
|
Механическое уплотнение Двойное механическое уплотнение состоит из двух карбидов кремния, что обеспечивает оптимальный эффект уплотнения. |
Рабочее колесо режущего станка с режущим кольцом
1. Неблокирующиеся конструкционные рабочие колеса с правом проектирования.
2 Материалы рабочего колеса и ножевого кольца: высокохромистая нержавеющая сталь 420, твердость HRC 49–52, обладает хорошей износостойкостью.
Обычные насосы для сточных вод требуют высокой мощности при использовании больших точек потока. Мотор нагревается и сгорает.
Насос Z三N WQ (D) - C может использовать поток в каждой точке. Мощность почти такая же. Температура двигателя практически одинаковая.
|
|
Проекты |
Описание |
|
Ограничения по использованию |
Температура жидкости |
0~40℃(32~104°F) |
|
Приложение |
Сточные воды из жилых помещений. |
|
|
Тип |
Частота |
50 Гц |
|
Двигатель |
2П(2900об/мин) сухой Н-образный авиационный |
|
|
Изоляция |
Бен Б (Категория F в опции) |
|
|
Защита |
IP68 |
|
|
Защитник |
Однофазный автоматический выключатель тепловой защиты (трехфазный ноль) |
|
|
Отношение |
Сфера |
|
|
М. Зел |
Двойные уплотнения М. |
|
|
Колесо |
Вихрь |
Кривая производительности (0,75–1,5 кВт)
Таблица характеристик (0,75кВт - 1,5кВт)
|
Модель |
приводной Н-образный авиационный Р2(кВт) |
Q(м³/ч) |
0 |
4 |
8 |
12 |
16 |
20 |
22 |
28 |
30 |
|
|
кВт |
л.с. |
Q(л/мин) |
0 |
67 |
133 |
200 |
267 |
333 |
367 |
467 |
500 |
|
|
50WQ(D)-C10-10-0,75 |
0.8 |
1 |
Н(м) |
15 |
14 |
12 |
10 |
8 |
3 |
|
|
|
|
50WQ(D)-C12-10-1.1 |
1.1 |
1.5 |
17 |
15 |
14 |
12 |
10 |
6.5 |
5 |
|
|
|
|
50WQ(D)-C15-15-1,5 |
1.5 |
2 |
23 |
21 |
19 |
17 |
15 |
13 |
12 |
7 |
6 |
|
|
65WQ(D)-C25-10-1,5 |
1.5 |
2 |
23 |
21 |
19 |
17 |
15 |
13 |
12 |
7 |
6 |
|
Кривая производительности (2,2–3 кВт)
|
Модель |
приводной Н-образный авиационный Р2(кВт) |
Q(м³/ч) |
0 |
0 |
20 |
30 |
38 |
47 |
60 |
70 |
80 |
90 |
|
|
кВт |
л.с. |
Q(л/мин) |
0 |
67 |
333 |
500 |
633 |
783 |
1000 |
1167 |
1333 |
1500 |
|
|
50WQ(D)-C9-22-2.2 |
2.2 |
3 |
Н(м) |
22 |
20 |
18 |
14 |
10 |
|
|
|
|
|
|
65WQ(D)-C25-15-22 |
2.2 |
3 |
24 |
20 |
16 |
13 |
10 |
5.5 |
|
|
|
|
|
|
80WQ(D)-C45-9-2.2 |
2.2 |
3 |
25 |
22 |
19 |
15 |
11 |
|
|
|
|
|
|
|
50WQ(D)-C20-22-3 |
3 |
4 |
32 |
27 |
23 |
17 |
13 |
|
|
|
|
|
|
|
50WQ(D)-C35-15-3 |
3 |
4 |
25 |
22 |
19 |
16 |
13 |
|
|
|
|
|
|
|
80WQ(D)-C43-13-3 |
3 |
4 |
23 |
20 |
18 |
15 |
13 |
9 |
3.5 |
|
|
|
|
Таблица характеристик (4 кВт-7,5 кВт)

|
Модель |
приводной Н-образный авиационный Р2(кВт) |
Q(м³/ч) |
0 |
10 |
20 |
30 |
38 |
47 |
60 |
70 |
76 |
90 |
100 |
107 |
120 |
150 |
|
|
кВт |
л.с. |
Q(л/мин) |
0 |
167 |
333 |
500 |
633 |
783 |
1000 |
1167 |
1267 |
1500 |
1667 |
1783 |
|
|
|
|
65WQ(D)-C25-22-4 |
4 |
5.5 |
Н(м) |
28 |
26 |
24 |
22 |
19 |
17 |
14 |
10 |
|
|
|
|
|
|
|
80WQ(D)-C45-17-4 |
4 |
5.5 |
28 |
26 |
23 |
21 |
19 |
17 |
14 |
10 |
8.5 |
|
|
|
|
|
|
|
80WQ(D)-C45-20-5,5 |
5.5 |
7.5 |
31 |
29 |
27 |
26 |
23 |
21 |
18 |
16 |
14 |
10 |
|
|
|
|
|
|
100WQ(D)-C65-15-5,5 |
5.5 |
7.5 |
32 |
29 |
26 |
25 |
22 |
20 |
18 |
15 |
13 |
9 |
|
3 |
|
|
|
|
50WQ(D)-C20-40-7,5 |
7.5 |
10 |
49 |
46 |
44 |
40 |
35 |
29 |
20 |
|
|
|
|
|
|
|
|
|
80WQ(D)-C45-22-7,5 |
7.5 |
10 |
32 |
30 |
28 |
26 |
25 |
23 |
21 |
20 |
18 |
16 |
12 |
|
|
|
|
|
100WQ(D)-C100-15-7,5 |
7.5 |
10 |
34 |
31 |
29 |
28 |
26 |
25 |
23 |
21 |
20 |
17 |
15 |
|
10 |
5 |
|
|
Экстрим |
Модель |
Экспортная мощность (кВт) |
бит дюйм (мм) |
Этап φ |
Давайте начнем |
Стандартный |
Сплошной канал, мм (дюймы) Без врезного кольца |
|
|
м-м³/час |
фут-галлон в минуту |
|||||||
|
2П |
50WQ(D)-C10-10-0,75 |
1(0,75) |
2 дюйма (50) |
1 |
Прямой |
10-10 |
32,8-36,7 |
20(0,8) |
|
3 |
||||||||
|
50WQ(D)-C12-10-1.1 |
1,5(1,1) |
2 дюйма (50) |
1 |
Прямой |
10-12 |
22.8-44 |
20(0,8) |
|
|
3 |
||||||||
|
50WQ(D)-C15-15-1,5 |
2(1,5) |
2 дюйма (50) |
1 |
Прямой |
15-15 |
49,2-55 |
20(0,8) |
|
|
3 |
||||||||
|
65WQ(D)-C25-10-1,5 |
2(1,5) |
2,5 дюйма (65) |
3 |
Прямой |
10-25 |
32,8-91,7 |
26(1) |
|
|
50WQ(D)-C9-22-2.2 |
3(2,2) |
2 дюйма (50) |
3 |
Прямой |
22-9 |
72.2-33 |
20(0,8) |
|
|
65WQ(D)-C25-15-2.2 |
3(2,2) |
2,5 дюйма (65) |
3 |
Прямой |
15-25 |
49,2-91,7 |
26(1) |
|
|
80WQ(D)-C45-9-2.2 |
3(2,2) |
3 дюйма (80) |
3 |
Прямой |
9-45 |
29,5-165 |
32(1,25) |
|
|
50WQ(D)-C20-22-3 |
4(3) |
2 дюйма (50) |
3 |
Прямой |
22-20 |
72,9-73,3 |
20(0,8) |
|
|
65WQ(D)-C35-15-3 |
4(3) |
2,5 дюйма (65) |
3 |
Прямой |
15-35 |
49,2-128,3 |
26(1) |
|
|
80WQ(D)-C43-13-3 |
4(3) |
3 дюйма (80) |
3 |
Прямой |
13-43 |
42,7-157,7 |
2( 1,25) |
|
|
65WQ(D)-C25-22-4 |
5.5(4) |
2,5 дюйма (65) |
3 |
Прямой |
22-25 |
72,2-91,7 |
26(1) |
|
|
80WQ(D)-C45-17-4 (Действующая версия) |
5.5(4) |
3 дюйма (80) |
3 |
Прямой |
17-45 |
55,8-165 |
32(1,25) |
|
|
80WQ(D)-C30-25-4 |
5.5(4) |
3 дюйма (80) |
3 |
прямой |
25-30 |
82-110 |
32(1,25) |
|
|
80WQ(D)-C45-20-5,5 |
7,5(5,5) |
3 дюйма (80) |
3 |
прямой |
20-45 |
65,6-165 |
32(1,25) |
|
|
100WQ(XD)-C65-15-5,5 |
7,5(5,5) |
4"(100) |
3 |
прямой |
15-65 |
49,2-238,3 |
40(1,5) |
|
|
50WQ(D)-C20-40-7,5 |
10(7,5) |
2 дюйма (50) |
3 |
прямой |
40-20 |
131,2-73,3 |
20(0,8) |
|
|
80WQ(D)-C45-25-7,5 |
10(7,5) |
3 дюйма (80) |
3 |
прямой |
25-45 |
82-165 |
32(1,25) |
|
|
100WQ(D)-C100-15-7,5 |
10(7,5) |
4"(100) |
3 |
прямой |
15-100 |
49,2-366,7 |
40(1,5) |
|
|
1 |
Ручка |
9 |
Корпус двигателя |
|
2 |
Кабель |
10 |
Механическая печать |
|
3 |
Конденсатор |
11 |
Винт |
|
4 |
Кепка |
12 |
Локоть |
|
5 |
Тепловая защита |
13 |
Рабочее колесо |
|
6 |
Статор |
14 |
Корпус насоса |
|
7 |
Ротор |
15 |
режущее кольцо |
|
8 |
Выход |
16 |
База |
|
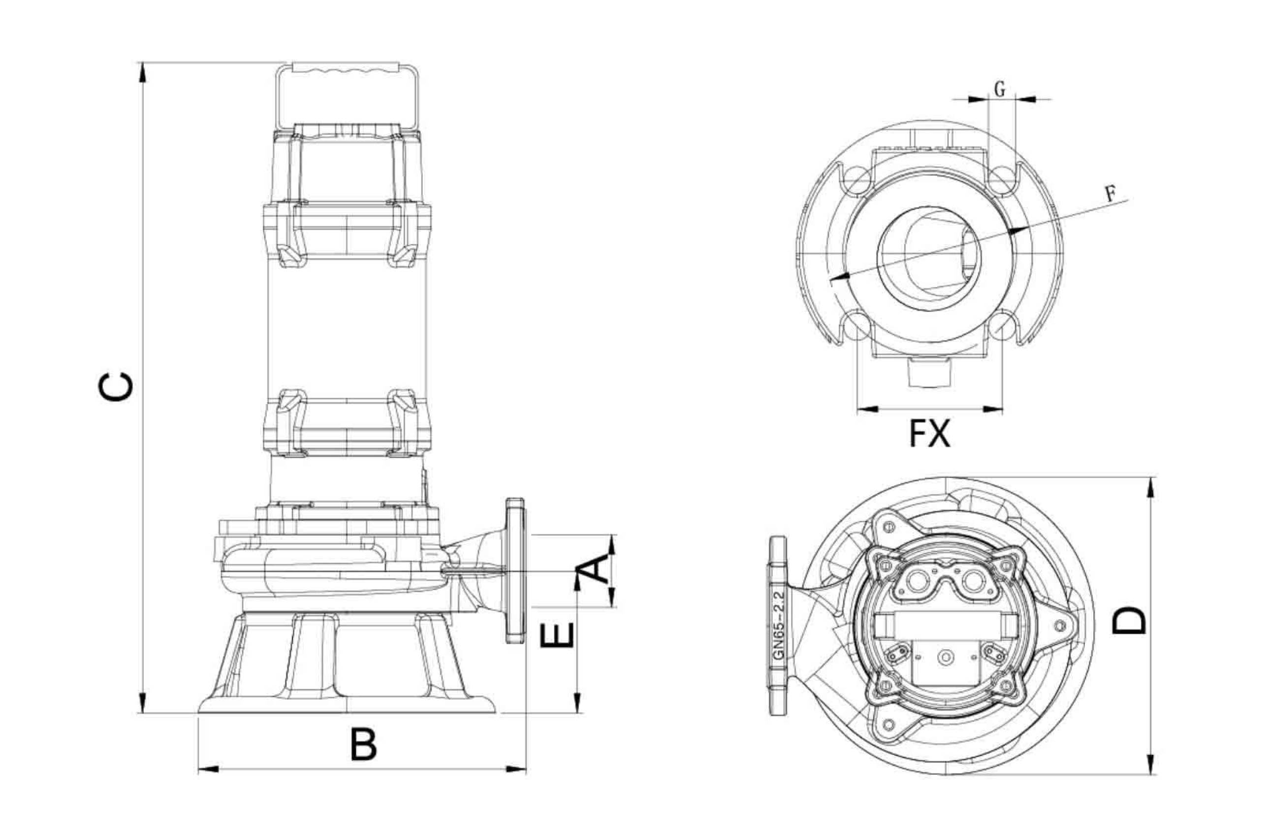
Модель |
Вес(кг)(фунт) |
Размер (мм) |
||||||
|
1Φ3Φ |
A |
B |
C |
D |
E |
F |
G |
|
|
50WQ(D)-C10-10-0,75 |
23,55(51,92) |
40 |
205 |
430 |
175 |
74 |
110 |
15 |
|
50WQ(D)-C12-10-1.1 |
23,7(52,2) |
40 |
205 |
430 |
175 |
74 |
110 |
15 |
|
50WQ(D)-C15-15-1,5 |
37,25(82,1) |
50 |
250 |
568 |
240 |
117 |
110 |
15 |
|
65WQ(D)-C25-10-1,5 |
36,1(79,6) |
50 |
250 |
568 |
240 |
117 |
110 |
15 |
|
50WQ(D)-C-22-2.2 |
40,1(88,4) |
65 |
295 |
585 |
265 |
127 |
130 |
15 |
|
65WQ(D)-C25-15-2.2 |
41,4(91,3) |
65 |
295 |
585 |
265 |
127 |
130 |
15 |
|
80WQ(D)-C45-9-2.2 |
43,4(95,7) |
65 |
295 |
585 |
265 |
127 |
130 |
15 |
|
50WQ(D)-C20-22-3 |
45,8(101) |
50 |
280 |
575 |
240 |
123 |
110 |
15 |
|
65WQ(D)-C35-15-3 |
466(102,7) |
50 |
280 |
575 |
240 |
123 |
110 |
15 |
|
80WQ(D)-C43-13-3 |
47,4(104,5) |
50 |
280 |
575 |
240 |
123 |
110 |
15 |
|
65WQ(D)-C25-22-4 |
52,2(115,1) |
65 |
315 |
590 |
265 |
127 |
130 |
15 |
|
80WQ(D)-C45-17-4 (Действующая версия) |
52,9(116,6) |
65 |
315 |
590 |
265 |
127 |
130 |
15 |
|
80WQ(D)-C30-25-4 |
53,5(117,9) |
65 |
315 |
590 |
265 |
127 |
130 |
15 |
|
80WQ(D)-C45-20-5,5 |
6215(137) |
80 |
325 |
650 |
268 |
131 |
160 |
18 |
|
100WQ(D)-C65-15-5,5 |
63,6(140,2) |
80 |
325 |
650 |
268 |
131 |
160 |
18 |
|
50WQ(D)-C20-40-7,5 |
70,8(156,1) |
80 |
335 |
660 |
285 |
137 |
160 |
18 |
|
80WQ(D)-C45-25,75 |
72(158,7) |
80 |
335 |
660 |
285 |
137 |
160 |
18 |
|
100WQ(D)-C100-15-7,5 |
73,5(162) |
80 |
335 |
660 |
285 |
137 |
160 |
18 |