Прочный концевой всасывающий насос NDX компании ZEN Machinery разработан в соответствии с BS EN733/DIN24255. Эта серия насосов имеет большие преимущества в виде взаимозаменяемых деталей, высокого качества и низкой стоимости, широкого применения на заводах, шахтах, в городском водоснабжении, системах пожаротушения, кондиционирования и ирригации.
Серия A DIN24255/EN 733 Стандартный центробежный насос
• Водоснабжение и канализация
• Отопление, кондиционирование воздуха и градирня.
• Судовой балласт и днище
• Нагнетатели и нагнетатели
• Ирригация и сельское хозяйство
• Водоснабжение и канализация
• Пищевая химия (с использованием материалов из нержавеющей стали)
Серия AD DIN24255/EN 733 Стандартные торцевые насосы и двигатели
• Водоснабжение и канализация
• Отопление, кондиционирование воздуха и градирня.
• Пожар и пожарная безопасность
• Судовой балласт и днище
• Нагнетатели и нагнетатели
• Исследования и сельское хозяйство
• Водоснабжение и канализация
• Пищевая химия (с использованием материалов из нержавеющей стали)
| Размер переработки | Ду32~300мм | Скорость потока | 4~1584м³/ч |
| Голова | 2~150м | ||
| Средняя температура: -10~85℃(стандарт) 85~105°℃(специальный запрос) | |||
|
Рабочее давление: ≤1,0 МПа (стандартное) ≤1,6 МПа (специальный запрос) |
|||
Высококачественные концевые всасывающие насосы ZEN Machinery NDX разработаны в соответствии с BS EN733/DIN24255. Эта серия насосов имеет преимущества замены компонентов, высокого качества, низкой стоимости, широко используется на заводах, шахтах, в городском водоснабжении, пожаротушении, кондиционировании воздуха, ирригации и других областях.
Вопрос: Чугун
Вопрос: Чугунная шариковая ручка.
А: латунь
С: АСТМ 420
45: 1045 м.
S304: АСТМ 304
S316: АСТМ 316
H: Двухрядный подшипник
G: Большие оси и подшипники
По умолчанию: Стандартный
М: Механическое уплотнение
P: Наполнитель под давлением
| Дизайн | Характеристики и размеры соответствуют европейскому стандарту BSEN733/DIN24255. |
| Состав | Горизонтальное, осевое концевое всасывание, одноступенчатое, торцевое всасывание, спиральный корпус, выпуск сзади |
| Ду (мм) | 32~300 |
| Фланец | DIN2501 PN16 GB/T17241.6 PN1.6 |
| Часть | Стандартный материал | Опции по запросу |
| Рамка | Чугун | Ковкий чугун/ASTM304/ASTM316 |
| Рабочее колесо | Латунь | Чугун/ASTM304/ASTM316 |
| Вал | АСТМ420 | АСТМ304/АСТМ316/АСТМ1045 |
| Уплотнение вала | Механическая печать | Сальниковая упаковка |
| Скорость потока (Q) | 4~1584 м³/ч |
| Голова(H) | 2~150 м |
| Скорость | 1450 или 2900 об/мин (50 Гц)/1750 или 3500 об/мин (60 Гц) |
| Максимальная температура | 85 ℃ (стандарт); 105℃(по запросу) |
| Рабочее давление | стандарт 1,0 МПа; 1,6 МПа по запросу |
| Транспортная среда | Чистая вода или жидкости, аналогичные чистой воде по физическим свойствам. |
| Код | Обозначение |
| 1 | Рамка |
| 2 | Гайка рабочего колеса |
| 2.1 | Стопорная шайба |
| 3 | Носить кольцо |
| 3.1 | Ношение кольца |
| 4 | Рабочее колесо |
| 5 | Крышка корпуса |
| 6 | Проставка вала |
| 7 | Механическое уплотнение |
| 8 | Уплотнительная крышка |
| 8.1 | уплотнительное кольцо |
| 9 | Резиновый пращник |
| 10 | Несущая рама |
| Код | Обозначение |
| 11 | Вал |
| 12 | Перевозчик |
| 13 | Крышка подшипника |
| 14 | Опорная ножка |
| 14.1 | Плоская шайба |
| 15 | Упаковочный рукав |
| 16 | Сепаратор уплотнения упаковки |
| Шея рукава | |
| 17 | Сальниковая набивка |
| 18 | Крышка сальника |
| 19 | Прокладка корпуса |
| 20 | Приколоть |
| 21 | Приколоть |
| Код | Обозначение |
| 22 | Приколоть |
| 23 | Ключ |
| 24 | Ключ |
| 25 | Винт Болт |
| 26 | Чашка сливочного масла |
| 27 | Почувствовал себя |
| Сальник | |
| 28 | Приколоть |
| 29 | Затыкать |
| 30 | Затыкать |
| 31 | Масляная шкала |
| 32 | Масляная крышка |
| 33 | Прокладка горловины |


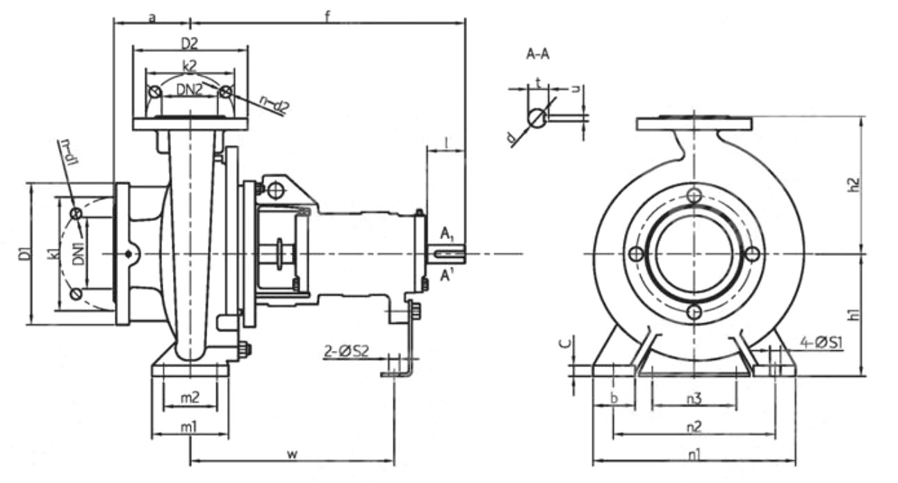
(ISO7005.2 DIN2501 PN16 GB/T17241.6 PN1.6)
| Ду1/Ду2 | 32 | 40 | 50 | 65 | 80 | 100 |
| Д1/Д2 | 140 | 150 | 165 | 185 | 200 | 220 |
| К1/К2 | 100 | 110 | 125 | 145 | 160 | 180 |
| н-д1/н-д2 | 4-f18 | 4-f18 | 4-f18 | 4-f18 | 8-f18 | 8-f18 |
| Ду1/Ду2 | 125 | 150 | 200 | 250 | 300 | 350 |
| Д1/Д2 | 250 | 285 | 340 | 405 | 460 | 520 |
| К1/К2 | 210 | 240 | 295 | 355 | 410 | 470 |
| н-д1/н-д2 | 8-f18 | 8-f22 | 12-φ22 | 12-ф26 | 12-ф26 | 16-φ26 |
| Модель | Внутренний диаметр подшипника | Ду2 | Ду1 | a | f | ч1 | ч2 | b | C | n3 | м1 | м2 | n1 | n2 | С1 | С2 | W | d | I | t | U | Масса (кг) |
| А32/13 | 25 | 32 | 50 | 80 | 360 | 112 | 140 | 50 | 14 | 100 | 100 | 70 | 190 | 140 | 14 | 14 | 267 | 24 | 50 | 27 | 8 | 29 |
| А32/16 | 132 | 160 | 240 | 190 | 35 | |||||||||||||||||
| А32/20 | 160 | 180 | 110 | 47 | ||||||||||||||||||
| А32/26 | 100 | 180 | 225 | 65 | 125 | 95 | 320 | 250 | 58 | |||||||||||||
| А40/13 | 40 | 65 | 80 | 112 | 140 | 50 | 100 | 100 | 70 | 210 | 160 | 31 | ||||||||||
| А40/16 | 132 | 160 | 240 | 190 | 34 | |||||||||||||||||
| А40/20 | 100 | 160 | 180 | 110 | 265 | 212 | 45 | |||||||||||||||
| А40/26(Н) | 180 | 225 | 65 | 125 | 95 | 320 | 250 | 61 | ||||||||||||||
| А40/32 | 35 | 125 | 470 | 200 | 250 | 345 | 280 | 342 | 32 | 80 | 35 | 10 | 94 | |||||||||
| А40/32(Н) | 200 | 250 | 107 | |||||||||||||||||||
| А40/32Г | 45 | 526 | 200 | 250 | 367 | 42 | 110 | 45 | 12 | 105 | ||||||||||||
| А50/13 | 25 | 50 | 100 | 360 | 132 | 160 | 50 | 100 | 100 | 70 | 240 | 190 | 267 | 24 | 50 | 27 | 8 | 35 | ||||
| А50/16 | 160 | 180 | 110 | 265 | 212 | 39 | ||||||||||||||||
| А50/20 | 160 | 200 | 49 | |||||||||||||||||||
| А50/26(Н) | 180 | 225 | 65 | 125 | 95 | 320 | 250 | 68 | ||||||||||||||
| А50/26Г | 35 | 470 | 344 | 32 | 80 | 35 | 10 | 65 | ||||||||||||||
| А50/32(Н) | 125 | 225 | 280 | 18 | 345 | 280 | 342 | 113 | ||||||||||||||
| А50/32Г | 45 | 50 | 65 | 125 | 526 | 225 | 280 | 65 | 18 | 125 | 95 | 345 | 280 | 367 | 42 | 110 | 45 | 12 | 105 | |||
| А65/13 | 25 | 65 | 80 | 100 | 360 | 160 | 180 | 14 | 125 | 95 | 280 | 212 | 267 | 24 | 50 | 27 | 8 | 41 | ||||
| А65/16 | 160 | 200 | 47 | |||||||||||||||||||
| А65/20(Н) | 180 | 225 | 320 | 250 | 55 | |||||||||||||||||
| А65/20Г | 35 | 465 | 339 | 32 | 80 | 35 | 10 | 60 | ||||||||||||||
| А65/26 | 470 | 200 | 250 | 80 | 15 | 160 | 120 | 360 | 280 | 18 | 342 | 87 | ||||||||||
| А65/32(Н) | 125 | 225 | 280 | 18 | 400 | 315 | 110 | |||||||||||||||
| А65/32Г | 45 | 525 | 225 | 280 | 18 | 367 | 42 | 110 | 45 | 12 | 120 | |||||||||||
| А80/16 | 25 | 80 | 100 | 360 | 180 | 225 | 65 | 14 | 125 | 95 | 320 | 250 | 14 | 267 | 24 | 50 | 27 | 8 | 53 | |||
| А80/20 | 35 | 470 | 180 | 250 | 15 | 345 | 280 | 342 | 32 | 80 | 35 | 10 | 76 | |||||||||
| А80/26 | 200 | 280 | 80 | 160 | 120 | 400 | 315 | 18 | 95 | |||||||||||||
| А80/32(Н) | 250 | 315 | 16 | 118 | ||||||||||||||||||
| А80/32Г | 45 | 526 | 16 | 367 | 42 | 110 | 45 | 12 | 130 | |||||||||||||
| А80/40 | 530 | 280 | 355 | 83 | 18 | 440 | 340 | 370 | 160 | |||||||||||||
| А100/16 | 35 | 100 | 125 | 470 | 200 | 250 | 80 | 15 | 360 | 280 | 342 | 32 | 80 | 35 | 10 | 87 | ||||||
| А100/20 | 35 | 280 | 80 | 16 | 84 | |||||||||||||||||
| А100/26(Н) | 140 | 225 | 280 | 400 | 315 | 102 | ||||||||||||||||
| А100/32 | 250 | 315 | 118 | |||||||||||||||||||
| А100/40 | 45 | 530 | 280 | 355 | 100 | 20 | 200 | 150 | 500 | 400 | 23 | 370 | 42 | 110 | 45 | 12 | 176 | |||||
| А125/20 | 35 | 125 | 150 | 470 | 250 | 315 | 80 | 16 | 160 | 120 | 400 | 315 | 18 | 342 | 32 | 80 | 35 | 10 | 112 | |||
| А125/26 | 250 | 355 | 117 | |||||||||||||||||||
| А125/32 | 45 | 530 | 280 | 355 | 100 | 18 | 200 | 150 | 500 | 400 | 23 | 370 | 42 | 110 | 45 | 12 | 155 | |||||
| А125/40 | 160 | 315 | 400 | 178 | ||||||||||||||||||
| ФА125/50 | 55 | 670 | 355 | 450 | 25 | 550 | 450 | 500 | 48 | 110 | 51 | 14 | 300 | |||||||||
| А150/20 | 35 | 150 | 200 | 500 | 280 | 400 | 18 | 400 | 315 | 342 | 32 | 80 | 35 | 10 | 132 | |||||||
| А150/26 | 45 | 530 | 250 | 355 | 450 | 350 | 370 | 42 | 110 | 45 | 12 | 163 | ||||||||||
| А150/32 | 280 | 400 | 550 | 450 | 170 | |||||||||||||||||
| А150/40 | 315 | 450 | 207 | |||||||||||||||||||
| А150/50 | 55 | 180 | 670 | 375 | 500 | 22 | 500 | 48 | 51 | 14 | 330 | |||||||||||
| А200/26 | 45 | 200 | 250 | 555 | 315 | 450 | 20 | 28 | 392 | 42 | 45 | 12 | 219 | |||||||||
| А200/32 | 55 | 670 | 315 | 480 | 120 | 220 | 170 | 600 | 480 | 505 | 48 | 51 | 14 | 286 | ||||||||
| А200/40 | 335 | 480 | 250 | 328 | ||||||||||||||||||
| А200/50 | 65 | 200 | 250 | 200 | 720 | 425 | 560 | 100 | 22 | 140 | 200 | 150 | 660 | 560 | 23 | 19 | 515 | 60 | 140 | 64 | 18 | 450 |
| А250/32 | 55 | 250 | 300 | 220 | 691 | 355 | 520 | 150 | 26 | 110 | 250 | 200 | 660 | 510 | 28 | 14 | 525 | 48 | 110 | 51 | 14 | 366 |
| А250/40 | 682 | 400 | 560 | 516 | 396 | |||||||||||||||||
| А250/50 | 65 | 250 | 300 | 250 | 720 | 450 | 670 | 120 | 32 | 140 | 240 | 190 | 750 | 650 | 23 | 19 | 515 | 60 | 140 | 64 | 18 | 550 |
| А300/40 | 65 | 300 | 350 | 300 | 720 | 425 | 120 | 30 | 250 | 190 | 760 | 660 | 30 | 19 | 515 | 60 | 140 | 64 | 18 | 550 |