Центробежный насос с разъемным корпусом S — это одноступенчатый горизонтальный центробежный насос двойного всасывания, предназначенный для транспортировки чистой воды и жидкостей с физическими и химическими свойствами, близкими к воде, с максимальной температурой не более 80°C. Он подходит для водоснабжения и дренажа на заводах, шахтах, в городских районах и электростанциях, для дренажа и орошения сельскохозяйственных угодий, а также для различных гидротехнических проектов.
Насос S - тип - одноступенчатый двухступенчатый горизонтальный центробежный насос среднего открытого типа, предназначенный для транспортировки чистой воды и жидкостей с физико - химическими свойствами, близкими к воде, с максимальной температурой не более 80°С и пригодный для подачи и дренажа на заводах, шахтах, в городах и электростанциях, дренажа и орошения сельскохозяйственных предприятий. земля для различных гидротехнических работ.
Насосы серии соответствуют стандартам GB/T3216 и GB/T5657.
Все входы и выходы насоса расположены ниже оси, горизонтально и перпендикулярно оси, корпус насоса открывается посередине, поэтому нет необходимости демонтировать входную и исходную трубу и двигатель (или другой основной двигатель). С точки зрения сцепления насос движется по часовой стрелке. Насос может двигаться и против часовой стрелки, но порядку следует уделить особое внимание.
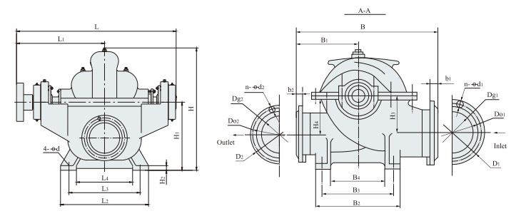
Основные узлы насоса: корпус насоса (1), крышка насоса (2), рабочее колесо (3), ось (4), двойное поглощающее уплотнительное кольцо (5), втулка (6), подшипник (15) и т.д., кроме оси из высококачественной углеродистой стали, остальные изготовлены из чугуна. Этот материал может быть заменен другими материалами в различных средах.
Корпус насоса и крышка насоса образуют студию рабочего колеса с резьбовыми отверстиями на фланцах входа и выхода для установки вакуумметров и манометров, а также для дренажа под ними.
Рабочее колесо откалибровано по статическому равновесию, закреплено обечайкой и гайкой корпуса с обеих сторон, с помощью гайки можно регулировать его осевое положение и уравновешивать осевую силу при симметричном расположении лопаток, осевой подшипник выдерживает остаточную осевую мощность.
Ось насоса поддерживается двумя однорядными центрирующими шарикоподшипниками, которые установлены в корпусе подшипников с обоих концов насоса и смазываются смазкой. Двойное абсорбционное уплотнительное кольцо используется для уменьшения утечек на рабочем колесе. Управление насосом осуществляется напрямую с помощью упругой муфты. (При использовании резиновой передачи следует установить дополнительную опору).
Клапан представляет собой уплотнитель наполнителя, а для охлаждения и смазки герметичной полости и предотвращения попадания воздуха в насос между наполнителями имеется наливное кольцо. В процессе работы насоса небольшое количество воды высокого давления поступает в наполнительную полость через коническую бородку и выполняет функцию водяного затвора.
1. Сборка деталей ротора: последовательно на оси насоса рабочее колесо, втулка, контргайка, сальник, маслокопирующее кольцо, сальник, торцовое уплотнение, торцовое уплотнение, водоупорное кольцо и подшипник, а затем муфта.
2. Проверьте герметичное наружное кольцо рабочего колеса отдельно от корпуса колонны ротора, радиальное биение которого не должно превышать параметры, указанные в таблице ниже.
3. Ротор установить на корпус насоса, отрегулировать рабочее колесо так, чтобы его осевое положение находилось посередине двойного поглощающего уплотнительного кольца с обеих сторон, затем зафиксировать его, а затем закрепить неподвижным винтом крышку подшипника.
| Номинальный диаметр | <50 | 50~120 | 120~250 | 250~500 | 500~800 | 800~1250 |
| Способность к прыжкам | 0.03 | 0.04 | 0.05 | 0.06 | 0.08 | 0.10 |
4. Загрузите наполнитель (если это уплотнение наполнителя), бумажную прокладку на промежуточное отверстие и крышку насоса, сначала затяните ось резьбового хвостового конуса, а затем затяните гайку крышки насоса. Установите крышку заливной горловины, но не прижимайте ее слишком сильно, иначе гильза может нагреться, оставив больше энергии; Если используется механическое уплотнение, отрегулируйте возможность сжатия механического уплотнения, чтобы исключить возникновение утечки.
После завершения сборки, перемещая ось насоса вручную, она должна быть гладкой и равномерной и не должна соприкасаться. Демонтаж можно осуществить в порядке, обратном вышеизложенному.
1. Проверьте, не повреждены ли насос и двигатель.
2. Высота установки насоса в сочетании с гидравлическими потерями всасывающего трубопровода и его скоростью вращения, т.е. НПША агрегата должна быть больше НПШР. Размер основания должен соответствовать размеру установки насосного агрегата.
3. Процедура установки:
(1) Установите насос на бетонный фундамент с помощью встроенного фундаментного болта, отрегулируйте горизонтальность, отрегулировав положение клина, и правильно затяните болт, чтобы предотвратить смещение болта.
(2) Залейте бетон между фундаментом и опорами насоса.
(3) После затвердевания бетона затяните болты подземных опор и еще раз проверьте горизонтальность насоса.
(4) Откорректируйте соосность между насосом и осью двигателя, чтобы она находилась на прямой линии. Допускаемый допуск на разную центрированность наружных колец двух муфт составляет 0,1 мм, при этом зазор между одним торцом и неровностями по окружности - 0,3 мм (еще одна поправка также должна соответствовать вышеуказанным требованиям после подключения и ввода в эксплуатацию водопровода).
(5) После определения направления вращения двигателя, соответствующего направлению вращения насоса, устанавливается штифт пальца сцепления.
4. Трубопроводы подачи и вывода должны опираться на отдельные опоры, а не на корпус насоса.
5. Соединение насоса с трубопроводом должно сохранять хорошую герметичность, особенно входной трубопровод, который должен быть гарантированно лишен утечки воздуха и не может быть встроен в агрегат.
6. Как правило, если насос установлен выше уровня воды в водозаборе, можно установить нижний клапан для запуска насоса и нагнетания воды, а также использовать вакуумный насос для слива воды.
7. Выходные патрубки насосов, как правило, требуют установки задвижки и запорной арматуры (подъём менее 20 м установки не требует), а за задвижкой устанавливают обратный клапан.
Упомянутый способ установки относится к насосам, не имеющим социальной основы.
У насосов с обычным фундаментом между фундаментом и бетоном для корректировки уровня агрегата применяют клиновидную железную прокладку, а затем между ними цементируют бетон. Принцип установки и требования идентичны насосам, не имеющим общего основания.
1. Запуск и остановка
(1) Перед запуском ротора движущегося насоса датчики ротора должны быть легкими, гладкими и равномерными.
(2) Закройте выпускной клапан и залейте воду насосом (при отсутствии нижнего клапана вода откачивается вакуумным насосом по направлению воды). Убедитесь, что насос наполнен водой и не имеет доступа воздуха.
(3) Перед запуском двигателя сначала выключите вилку вакуума или манометра, если она установлена на насосе, подсоедините к насосу, а затем включите вилку, когда двигатель будет двигаться с нормальной скоростью; Затем выпускной клапан постепенно открывается, уменьшая его при большем расходе или, наоборот, увеличивая или увеличивая.
(4) Равномерно затяните нажимную гайку на крышке заливной горловины, чтобы предотвратить попадание капель, и обратите внимание на повышение температуры за пределами полости заливной горловины.
(5) Когда насос остановится, сначала выключите вилку вакуума или манометр и клапан на подаче воды, а затем выключите питание двигателя. При низкой температуре окружающей среды откройте квадратную пробку под корпусом насоса и слейте остатки воды во избежание образования ледяных трещин.
(6) Во время длительной остановки снимите насос, просушите детали и нанесите на обработанную поверхность антикоррозионную смазку.
2. Бег
(1) Максимальная температура подшипника насоса не должна превышать 75 ° C.
(2) Объем смазочных материалов на основе кальция для смазочных материалов подшипников пригоден для обслуживания 1/3 - 1/2 пространства в подшипниках.
(3) Если крышка крышки слегка изношена, то крышку сальника следует как следует прижать, а если износ слишком велик, то крышку сальника следует заменить.
(4) регулярно проверяйте упругую муфту и обращайте внимание на повышение температуры подшипников двигателя.
(5) Если во время работы слышен шум или другие необычные звуки, следует немедленно остановиться, чтобы выяснить причину и устранить ее.
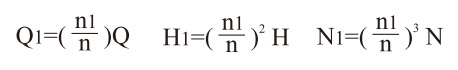
(6) Не увеличивайте скорость насоса произвольно, но вы можете уменьшить скорость насоса. Например, для данного типа насосов номинальная частота вращения n, расход Q, давление H, мощность оси N, приведенная скорость N1, расход, давление и мощность оси после уменьшения скорости равны Q1, H1 и N1 соответственно. Преобразование осуществляется по следующей формуле.
| Отказ | Причина | Поиск неисправностей |
| 1. Насос не всасывает воду, сильно скачет указатель давления и вакуумметра. |
1. Лесной воды недостаточно; 2. Утечка происходит из трубопровода или счетчика. |
1. Налейте больше воды; 2. Подтянуть или заблокировать место утечки. |
| 2. Насос не всасывает воду, на разрежении отображается высокий вакуум. |
1. Приемный клапан не открыт или не заблокирован; 2. Сопротивление всасывающего трубопровода слишком велико; 3. Слишком большая высота водопоглощения. |
1. Исправьте или замените донный клапан; 2. Промыть или заменить трубопровод; 3. Уменьшите высоту |
| 3. Вода не уходит из насоса, давление отображается на манометре. |
1. Слишком высокое сопротивление отводящего трубопровода воды; 2. Неправильное направление вращения; 3. Крыльчатка заблокирована; 4. Недостаточная скорость вращения. |
1. Проверить или укоротить трубопровод; 2. Исправьте направление вращения двигателя. 3. Снимите его; 4. Проверьте напряжение питания и увеличьте скорость. |
| 4. Недостаточный расход или слишком низкое давление. |
1. Закрыто рабочее колесо или оба водозаборных и выпускных трубопровода. 2. Слишком большой износ из-за уплотнительного кольца двойного поглощения или повреждение рабочего колеса; 3. Скорость вращения ниже заданного значения. |
1. Очистите рабочее колесо или трубопровод; 2. Замените его; 3. Отрегулируйте его до номинального значения. |
| 5. слишком большое потребление мощности насосом |
1. Упаковка слишком плотно прижата; 2. Трение между рабочим колесом и уплотнительным кольцом двойного поглощения; 3. Слишком большой расход. |
1. Ослабьте его; 2. Проверьте причину и устраните ее; 3. Уменьшите открытие клапана. |
| Отказ | Причина | Поиск неисправностей |
| 6. Необычный звук внутри насоса, вода не поступает в насос. |
1. Сопротивление всасывающего трубопровода слишком велико; 2. Слишком большая высота поглощения; 3. Воздух всасывается в место всасывания воды. 4. Слишком высокая температура при всасывании жидкости; 5. Потеря пара происходит из-за слишком большого расхода. |
1. Подготовьте всасывающий трубопровод и нижний клапан; 2. Опустите его; 3. Проверить нижний клапан, уменьшить высоту всасывания, перекрыть место утечки воздуха; 4. Установите его; 5. Отрегулируйте выпускную заслонку для воды так, чтобы она работала в заданном диапазоне производительности. |
| 7. Ненормальная вибрация насоса. |
1. При этом имеет место потеря пара; 2. Рабочее колесо не отбалансировано; 3. Ось насоса и двигателя не концентричны; 4. Шпилька на ноге ослабла. |
1. Отрегулируйте клапан для работы в заданном диапазоне производительности; 2. Возьмите статическую поправку на рабочее колесо; 3. Правильная концентричность 4. Затяните его |
| 8. Подшипник перегрелся. |
1. Отсутствие масла внутри; 2. Ось насоса и двигателя не находятся на одной центральной линии. |
1. Проверьте и очистите корпус подшипника, смажьте его; 2. Исправьте концентричность так, чтобы обе точки находились на одной центральной линии. |
| 1 | Корпус насоса | 2 | Салниковая начинка | 3 | Упаковка | 4 | Уплотнительное кольцо | 5 | Упаковка муфты | 6 | Упаковочный рукав | 7 | Вал |
| 8 | Крышка насоса | 9 | Рабочее колесо | 10 | Ключ |
11 | Двойное поглощающее кольцо | 12 | Муфель с торцовым уплотнением | 13 | Механическая печать | 14 | Механическое уплотнение сальника |
| 15 | Гает муфты | 16 | Сальник подшипника | 17 | Крепежный винт | 18 | Сальник корпуса подшипника | 19 | Корпус подшипника | 20 | Одностоечный центрирующий шарикоподшипник | 21 | Схватить |
| Тип насоса | Потребление К. | Голова (м) |
скорость (об/мин) |
Мощность (кВт) | Эффективность % |
(НПШ)р (м) |
Масса (кг) |
||
| (м³/ч) | (л/с) | Мощность вала |
Двигатель | ||||||
| 150С-100 |
120 160 192 |
33.3 44.4 53.3 |
103 100 92 |
2950 |
48.8 59.7 67.7 |
75 |
69 73 71 |
4.5 | 168 |
| 150С-78 |
126 160 198 |
35.0 44.4 55.0 |
84 78 70 |
2950 |
41.2 45.9 53.1 |
55 |
70 74 71 |
4.5 | 158 |
| 150С-78А |
112 140 180 |
31.1 39 50.0 |
65 60 53.5 |
2950 |
29.1 31.8 37.5 |
45 |
68 72 70 |
4.5 | 158 |
| 150С-50 |
130 160 220 |
36.1 44.4 61.1 |
52 50 40 |
2950 |
25.2 27.6 31.5 |
37 |
73 79 76 |
4.5 | 147 |
| 150С-50А |
112 140 180 |
31.1 38.9 50.0 |
42 39 34 |
2950 |
18.3 19.8 22.8 |
30 |
70 75 73 |
4.5 | 147 |
| 150С-50Б |
108 133 160 |
30.0 36.9 44.4 |
38 36 32 |
2950 |
16.9 18.4 19.4 |
22 |
66 71 72 |
4.5 | 147 |
| 200С-95 |
200 280 324 |
55.6 77.8 90.0 |
102 95 85 |
2950 |
81.7 94.0 100.0 |
132 |
68 77 75 |
5 | 240 |
| 200С-95А |
180 268 310 |
50.0 74.4 86.1 |
95 87 78 |
2950 |
71.6 84.6 90.2 |
110 |
65 75 73 |
5 | 240 |
| 200С-95Б |
165 245 298 |
45.8 68.1 82.8 |
81 72 60 |
2950 |
56.4 64.9 69.5 |
75 |
64.5 74 70 |
5 | 240 |
| 200С-63 |
216 280 351 |
60.0 77.8 97.5 |
70.4 63 52 |
2950 |
55.9 59.3 69.0 |
75 |
74 81 72 |
5 | 187 |
| 200С-63А |
186 270 332 |
51.7 75.0 92.2 |
56.5 48 38.5 |
2950 |
41.5 45.8 49.0 |
55 |
69 77 71 |
5 | 187 |
| 200С-42 |
216 280 342 |
60.0 77.8 95.0 |
48 42 35 |
2950 |
35.3 37.7 41.0 |
45 |
80 85 79.5 |
5 | 219 |
| 200С-42А |
198 270 310 |
55.0 75.0 86.1 |
43 36 31 |
2950 |
31.3 33.1 34.6 |
37 |
74 80 75.5 |
5 | 219 |
| 250С-65 |
360 485 612 |
100.0 134.7 170.0 |
70 65 54 |
1480 |
91.5 108.6 127.6 |
132 |
75 79 70.5 |
3.8 | 518 |
| 250с-65А |
300 420 535 |
83.3 116.7 148.6 |
53 48 40 |
1480 |
61.8 71.3 79.8 |
90 |
70 77 73 |
3.8 | 518 |
| 250С-39 |
360 485 612 |
100.0 134.7 170.0 |
43 39 32.5 |
1480 |
55.4 62.0 69.4 |
75 |
76 83 78 |
3.8 | 400 |
| 250с-39а |
324 420 576 |
90.0 116.7 160.0 |
31.5 29 22 |
1480 |
38.6 42.5 48.6 |
55 |
72 78 71 |
3.8 | 400 |
| 250С-24 |
360 485 576 |
100.0 134.7 160.0 |
27 24 19 |
1480 |
33.1 36.8 36.3 |
45 |
80 86 82 |
3.8 | 305 |
| 250С-24А |
342 420 482 |
95.0 116.7 133.9 |
22 20 17 |
1480 |
25.9 27.6 27.9 |
37 |
79 83 80 |
3.8 | 305 |
| 250С-14 |
360 485 576 |
100.0 134.7 160.0 |
14 11 |
1480 |
20.8 21.7 22.1 |
30 |
80 85 78 |
3.8 | 305 |
| 250С-14А |
320 420 505 |
88.9 116.7 140.3 |
10 12 10 8.2 |
1480 |
13.2 14.1 14.5 |
18.5 |
79 81 78 |
3.8 | 305 |
| Тип насоса | Потребление К. | Голова (м) |
Скорость (об/мин) |
Мощность (кВт) | Эффективность % |
(НПШ)р (м) |
Масса (кг) |
||
| (м³/ч) | (л/с) | Мощность вала | Двигатель | ||||||
| 300С-90 |
590 790 936 |
163.9 219.4 260.0 |
95 90 86 |
1480 |
224.4 251.4 277.4 |
315 |
68 77 79 |
4.8 | 950 |
| 300С-90А |
576 756 918 |
160.0 210.0 255.0 |
83 78 72 |
1480 |
200.2 216.9 239.9 |
280 |
65 74 75 |
4.8 | 950 |
| 300С-90Б |
546 720 900 |
151.7 200.0 250.0 |
72 67 57 |
1480 |
169.9 185.0 194.0 |
220 |
63 71 72 |
4.8 | 950 |
| 300С-58 |
576 790 972 |
160.0 219.4 270.0 |
65 58 50 |
1480 |
135.9 148.5 165.4 |
185 |
75 84 80 |
4.8 | 599 |
| 300С-58А |
529 735 893 |
146.9 204.2 248.1 |
55 50 42 |
1480 |
110.0 122.0 129.2 |
160 |
72 82 79 |
4.8 | 599 |
| 300С-58Б |
504 685 835 |
140.0 190.3 231.9 |
47.2 43 37 |
1480 |
91.2 100.2 109.2 |
132 |
71 80 77 |
4.8 | 599 |
| 300С-32 |
612 790 900 |
170.0 219.4 250.0 |
36.5 32 27.3 |
1480 |
74.2 79.1 83.6 |
90 |
82 87 80 |
4.8 | 709 |
| 300С-32А |
537 700 790 |
149.2 194.4 219.4 |
29 26 22.5 |
1480 |
53.7 59.0 62.0 |
75 |
79 84 78 |
4.8 | 709 |
| 300С-19 |
612 790 935 |
170.0 219.4 259.7 |
22 19 15.5 |
1480 |
45.8 48.4 52.6 |
55 |
80 84.5 75 |
4.8 | 434 |
| 300С-19А |
485 700 798 |
134.7 194.4 221.7 |
18 15 13 |
1480 |
32.1 35.7 37.2 |
45 |
74 80 76 |
4.8 | 434 |
| 300С-12 |
612 790 900 |
170.0 219.4 250.0 |
14.5 12 10 |
1480 |
30.2 31.1 33.1 |
37 |
80 83 74 |
4.8 | 413 |
| 300С-12А |
515 700 785 |
143.1 194.4 218.1 |
11.5 10 9 |
1480 |
22.4 24.4 25.6 |
30 |
72 78 75 |
4.8 | 413 |
| 350С-125 |
850 1260 1660 |
236.1 350.0 461.1 |
135 125 110 |
1480 |
446.3 542.7 685.6 |
710 |
70 79 72.5 |
5.5 | 1580 |
| 350С-125А |
787 1181 1550 |
218.6 328.1 430.6 |
121 112 100 |
1480 |
381.2 461.6 594.3 |
630 |
68 78 71 |
5.5 | 1580 |
| 350С-125Б |
700 1098 1350 |
194.4 305.0 375.0 |
104 96 89 |
1480 |
300.3 372.7 448.0 |
500 |
66 77 73 |
5.5 | 1580 |
| 350С-75 |
972 1260 1440 |
270.0 350.0 400.0 |
80 75 69 |
1480 |
264.6 302.6 329.9 |
355 |
80 85 82 |
5.5 | 1200 |
| 350с-75а |
900 1170 1332 |
250.0 325.0 370.0 |
70 65 60 |
1480 |
219.9 252.5 275.4 |
315 |
78 82 79 |
5.5 | 1200 |
| 350с-75Б |
800 1080 1200 |
222.2 300.0 333.3 |
60 55 52 |
1480 |
174.2 204.7 220.6 |
280 |
75 79 77 |
5.5 | 1200 |
| 350С-44 |
972 1260 1476 |
270.0 350.0 410.0 |
50 44 37 |
1480 |
163.3 177.6 188.2 |
220 |
81 85 79 |
5.5 | 1105 |
| 350С-44А |
876 1116 1360 |
243.3 310.0 377.8 |
41 36 30 |
1480 |
123.8 131.8 140.6 |
160 |
79 83 79 |
5.5 | 1105 |
| 350С-26 |
972 1260 1440 |
270.0 350.0 400.0 |
29 26 22 |
1480 |
93.6 101.3 102.7 |
132 |
82 88 84 |
5.5 | 672 |
| Тип насоса | Потребление К. | Голова (м) |
Скорость (об/мин) |
Мощность (кВт) | Эффективность % |
(НПШ)р (м) |
Масса (кг) |
||
| (м³/ч) | (л/с) | Мощность вала | Двигатель | ||||||
| 350с-26А |
840 1130 1260 |
233.3 313.9 350.0 |
24 21 19 |
1480 |
70.4 77.8 81.5 |
90 |
78 83 80 |
5.5 | 672 |
| 350С-16 |
960 1260 1440 |
266.7 350.0 400.0 |
19.5 16 13 |
1480 |
61.4 63.8 67.9 |
75 |
83 86 75 |
5.5 | 632 |
| 350С-16А |
800 1130 1340 |
222.2 313.9 372.2 |
15 12 9.5 |
1480 |
42.4 45.6 48.1 |
55 |
77 81 72 |
5.5 | 632 |
| 400С-90 |
1140 1620 1980 |
316.7 450.0 550.0 |
102 90 78 |
1480 |
403.2 461.5 512.7 |
560 |
78.5 86 82 |
7.9 | 1450 |
| 400С-90А |
1020 1460 1850 |
283.3 405.6 5139 |
89 78 66 |
1480 |
320.9 369.1 415.5 |
450 |
77 84 80 |
7.9 | 1450 |
| 400С-90Б |
960 1330 1720 |
266.7 369.4 477.8 |
78 68 56 |
1480 |
268.2 300.2 336.2 |
400 |
76 82 78 |
7.9 | 1450 |
| 400С-40 |
800 1080 1320 |
222.2 300.0 366.7 |
45 40 32 |
970 |
124.1 140.0 149.3 |
185 |
79 84 77 |
4.9 | 1800 |
| 400С-40А |
720 960 1150 |
200.0 266.7 319.4 |
39.5 35 29.5 |
970 |
100.5 111.5 121.5 |
160 |
77 82 76 |
4.9 | 1800 |
| 500С-98 |
1620 2020 2340 |
450.0 561.1 650.0 |
104.5 98 92 |
970 |
598.5 673.6 741.8 |
800 |
77 80 79 |
6 | 2360 |
| 500С-98А |
1500 1872 2170 |
416.7 520.0 602.8 |
88 83 77 |
970 |
479.1 535.4 583.1 |
630 |
75 79 78 |
6 | 2360 |
| 500С-98Б |
1400 1746 2020 |
388.9 485.0 561.1 |
79 74 71 |
970 |
401.4 448.1 500.5 |
560 |
75 78.5 78 |
6 | 2360 |
| 500С-59 |
1620 2020 2340 |
450.0 561.1 650.0 |
64 59 53 |
970 |
357.3 390.9 422.0 |
450 |
79 83 80 |
6 | 2150 |
| 500С-59А |
1500 1872 2170 |
416.7 520.0 602.8 |
53 49 45 |
970 |
288.6 316.1 345.2 |
400 |
75 79 77 |
6 | 2150 |
| 500С-59Б |
1400 1746 2020 |
388.9 485.0 561.1 |
43 40 36.5 |
970 |
227.6 250.2 267.6 |
315 |
72 76 75 |
6 | 2150 |
| 500С-35 |
1620 2020 2340 |
450.0 561.1 650.0 |
40 35 30.5 |
970 |
207.5 218.7 228.6 |
280 |
85 88 85 |
6 | 1600 |
| 500С-35А |
1400 1746 2020 |
388.9 485.0 561.1 |
30 27 24 |
970 |
139.4 151.0 159.0 |
220 |
82 85 83 |
6 | 1600 |
| 500С-22 |
1620 2020 2340 |
450.0 561.1 650.0 |
24.5 22 19.4 |
970 |
136.8 144.0 145.4 |
160 |
79 84 85 |
6 | 1722 |
| 500С-22А |
1400 1746 2020 |
388.9 485.0 561.1 |
19 17 15 |
970 |
97.9 101.0 101.8 |
132 |
74 80 81 |
6 | 1722 |
| 500С-13 |
1620 2020 2340 |
450.0 561.1 650.0 |
15 13 10 |
970 |
82.7 86.1 81.7 |
110 |
80 83 78 |
6 | 1730 |
| 600С-100 |
2160 3170 3600 |
600.0 880.6 1000.0 |
110 100 92 |
970 |
829.2 1015.2 1073.3 |
1400 |
78 85 84 |
6 | 7200 |
| 600С-100А |
1980 3000 3240 |
550.0 833.3 900.0 |
100 90 85 |
970 |
700.0 875.0 914.3 |
1120 |
77 84 82 |
6 | 7200 |
| Тип насоса | Потребление К. | Голова (м) |
Скорость (об/мин) |
Мощность (кВт) | Эффективность % |
(НПШ)р (м) |
Масса (кг) |
||
| (м³/ч) | (л/с) | Мощность вала | Двигатель | ||||||
| 600С-100Б |
1800 2830 3060 |
500.0 786.1 850.0 |
90 80 75 |
970 |
588.0 751.6 780.9 |
1000 |
75 82 80 |
6 | 7200 |
| 600С-75 |
2160 3170 3600 |
600.0 880.6 1000.0 |
84 75 68 |
970 |
633.2 761.4 802.9 |
900 |
78 85 83 |
7.5 | 2600 |
| 600С-75А |
1980 2880 3240 |
550.0 800.0 900.0 |
68 62 58 |
970 |
488.7 607.6 655.8 |
800 |
75 80 78 |
7.5 | 2600 |
| 600С-75Б |
1750 2650 3150 |
486.1 736.1 875.0 |
60 55 50 |
970 |
408.3 508.7 579.4 |
630 |
70 78 74 |
7.5 | 2600 |
| 600С-47 |
2160 3170 3600 |
600.0 880.6 1000.0 |
54 47 43 |
970 |
401.9 460.9 507.7 |
560 |
79 88 83 |
7.5 | 2800 |
| 600С-47А |
1980 2920 3240 |
550.0 811.1 900.0 |
45 40 37 |
970 |
311.0 369.7 398.0 |
450 |
78 82 |
7.5 | 2800 |
| 600С-32 |
2160 3170 3600 |
600.0 880.6 1000.0 |
36 32 29 |
970 |
271.4 313.8 334.4 |
400 |
78 88 85 |
7.5 | 2300 |
| 600С-32А |
2000 2880 3240 |
555.6 800.0 900.0 |
30 27 25 |
970 |
214.9 246.1 262.5 |
280 |
76 86 84 |
7.5 | 2300 |
| 600С-32Б |
1800 2628 3000 |
500.0 730.0 833.3 |
24.5 22 20 |
970 |
164.5 187.4 199.2 |
250 |
73 84 82 |
7.5 | 2300 |
| 600С-22 |
2520 3170 3600 |
700.0 880.6 1000.0 |
25 22 19 |
970 |
204.2 215.7 227.1 |
250 |
84 88 82 |
7 | 2300 |
| 600С-22А |
2160 2880 3240 |
600.0 800.0 900.0 |
21 18 16 |
970 |
152.4 162.2 170.0 |
185 |
81 87 83 |
7 | 2300 |
| 800С-22 |
4320 5500 6480 |
1200.0 1527.8 1800.0 |
25 22 19 |
730 |
358.5 370.1 389.7 |
450 |
82 89 86 |
7 | 3800 |
|
3000 4400 5040 |
8333 1222.2 1400.0 |
16 14 12.5 |
585 |
163.3 190.6 201.8 |
250 |
80 88 85 |
5 | 3800 | |
| 800С-22А |
3960 4830 5500 |
1100.0 1341.7 1527.8 |
19 17 15 |
730 |
246.8 254.0 261.1 |
315 |
83 88 86 |
7 | 3800 |
|
2800 3870 4500 |
777.8 1075.0 1250.0 |
12.5 11 9.5 |
585 |
119.1 133.2 138.5 |
185 |
80 87 84 |
5 | 3800 | |
| 800С-32 |
4320 5500 6480 |
1200.0 1527.8 1800.0 |
35 32 29 |
730 |
502.0 538.3 588.0 |
630 |
82 89 87 |
7 | 4900 |
|
3000 4400 5200 |
833.3 12222 1444.4 |
23 20 17 |
585 |
234.8 272.2 283.1 |
315 |
80 88 85 |
4.5 | 4900 | |
| 800С-32А |
3500 4950 6000 |
972.2 1375.0 1666.7 |
29.5 26 23 |
730 |
351.3 398.1 436.8 |
500 |
80 88 86 |
7 | 4900 |
|
2700 3960 4680 |
750.0 1100.0 1300.0 |
19 16.5 14 |
585 |
174.6 204.4 212.3 |
250 |
80 87 84 |
4.5 | 4900 | |
| 800С-47 |
4320 5500 6480 |
1200.0 1527.8 1800.0 |
51 47 42 |
730 |
722.6 781.9 841.9 |
1000 |
83 90 88 |
6.5 | 5000 |
|
3000 4400 5200 |
833.3 1222.2 1444.4 |
35 30 26 |
585 |
357.3 403.7 428.0 |
500 |
80 89 86 |
4 | 5000 | |
| 800-е-47а |
3500 5070 6000 |
972.2 1408.3 1666.7 |
45 40 36 |
730 |
529.3 620.3 683.7 |
710 |
81 89 86 |
6.5 | 5000 |
|
2800 4060 4800 |
777.8 1127.8 1333.3 |
30 25 22 |
585 |
285.8 314.0 334.3 |
355 |
80 88 86 |
4 | 5000 | |
| Тип насоса | Потребление К. |
Голова (м) |
Скорость (об/мин) |
Мощность (кВт) | Эффективность % |
(НПШ)р (м) |
Масса (кг) |
||
| (м³/ч) | (л/с) | Мощность вала | Двигатель | ||||||
| 800С-70 |
6100 8100 9300 |
1694.4 2250.0 2583.3 |
90 83 75 |
730 |
1868.1 2153.1 2260.4 |
2500 |
80 85 84 |
9 | 8000 |
| 800С-70А |
5800 7700 8800 |
1611.1 2138.9 2444.4 |
82 75 68.5 |
730 |
1628.5 1871.5 2001.2 |
2240 |
79.5 84 82 |
9 | 8000 |
| 800С-70Б |
5500 7300 8400 |
1527.8 2027.8 2333.3 |
73.5 68 62 |
730 |
1393.0 1628.1 1772.2 |
1800 |
79 83 80 |
9 | 8000 |
| 800С-76 |
4000 5500 6500 |
1111.1 1527.8 1805.6 |
80 76 71 |
730 |
1102.7 1293.1 1444.0 |
1600 |
79 88 87 |
6 | 7550 |
|
3000 4400 5500 |
833.3 1222.2 1527.8 |
54 49 43 |
585 |
551.3 674.6 757.4 |
800 |
80 87 85 |
4 | 7550 | |
| 800С-76А |
3500 5080 6000 |
972.2 1411.1 1666.7 |
69 65 61 |
730 |
832.2 1033.2 1186.1 |
1250 |
79 87 84 |
6 | 7550 |
|
2800 4070 5000 |
777.8 1130.6 1388.9 |
46.5 42 37 |
585 |
448.6 541.1 606.8 |
630 |
79 86 83 |
4 | 7550 | |
| 800С-76Б |
3000 4680 5500 |
833.3 1300.0 1527.8 |
59 55 51 |
730 |
642.4 824.4 920.0 |
1000 |
75 85 83 |
6 | 7550 |
|
2500 3750 4500 |
694.4 1041.7 1250.0 |
39 35 31 |
585 |
349.2 425.3 468.8 |
500 |
76 84 81 |
4 | 7550 | |
| 800С-105 |
3850 5500 6600 |
1069.4 1527.8 1833.3 |
110 105 100 |
730 |
1441.1 1807.0 2089.1 |
2500 |
80 87 86 |
6.5 | 8000 |
| 900С-23 |
6200 8280 9432 |
1722.2 2300.0 2620.0 |
28 23 19.5 |
730 |
590.7 602.8 610.6 |
710 |
80 86 82 |
9.3 | 6000 |
| 1000С-36 |
7920 9900 11380 |
2200.0 2750.0 3161.1 |
40 36 33 |
495 |
1039.0 1102.5 1202.7 |
1250 |
83 88 85 |
7.8 | 13000 |
| 1200С-24 |
8400 12000 14400 |
2333.3 3333.3 4000.0 |
28 24 18.5 |
590 |
748.8 901.1 906.5 |
1250 |
85.5 87 80 |
7.7 | 9000 |
| 1200С-39 |
7200 9000 10800 |
2000.0 2500.0 3000.0 |
42.5 39 33 |
500 |
1015.9 1085.8 1155.0 |
1250 |
82 88 84 |
5.5 | - |
| 1200-е-39а |
6480 8100 9720 |
1800.0 2250.0 2700.0 |
38.5 35 29.5 |
500 |
848.9 892.2 940.4 |
1120 |
80 86.5 83 |
5.5 | - |
| 1200-е-39Б |
5832 7290 8748 |
1620.0 2025.0 2430.0 |
34 31 26 |
500 |
674.7 715.3 755.1 |
900 |
80 86 82 |
5.5 | - |
| 1200С-56 |
8640 10800 12960 |
2400.0 3000.0 3600.0 |
60 56 49 |
600 |
1721.0 1870.9 2033.8 |
2240 |
82 88 85 |
7.5 | - |
| 1200С-56А |
7776 9720 11664 |
2160.0 2700.0 3240.0 |
54 50 42 |
600 |
1411.2 1520.7 1606.7 |
2000 |
81 87 83 |
7.5 | - |
| 1200С-56Б |
7000 8750 10500 |
1944.4 2430.6 2916.7 |
48 44 27 марта |
600 |
1143.3 1218.7 1289.7 |
1600 |
80 86 82 |
7.5 | - |
| 1200С-76 |
8640 10800 12960 |
2400.0 3000.0 3600.0 |
81.5 76 65 |
730 |
2216.0 2482.7 2620.8 |
2800 |
86.5 90 87.5 |
9 | 13000 |
| 1200С-76А |
7776 9720 11664 |
2160.0 2700.0 3240.0 |
6а 0+ 55 |
730 |
1703.5 1924.4 2054.5 |
2240 |
84.5 88 85 |
9 | 13000 |
| 1200С-76Б |
7000 8750 10500 |
1944.4 2430.6 2916.7 |
55 52 45 |
730 |
1270.4 1440.2 1531.3 |
1600 |
82.5 86 84 |
9 | 13000 |
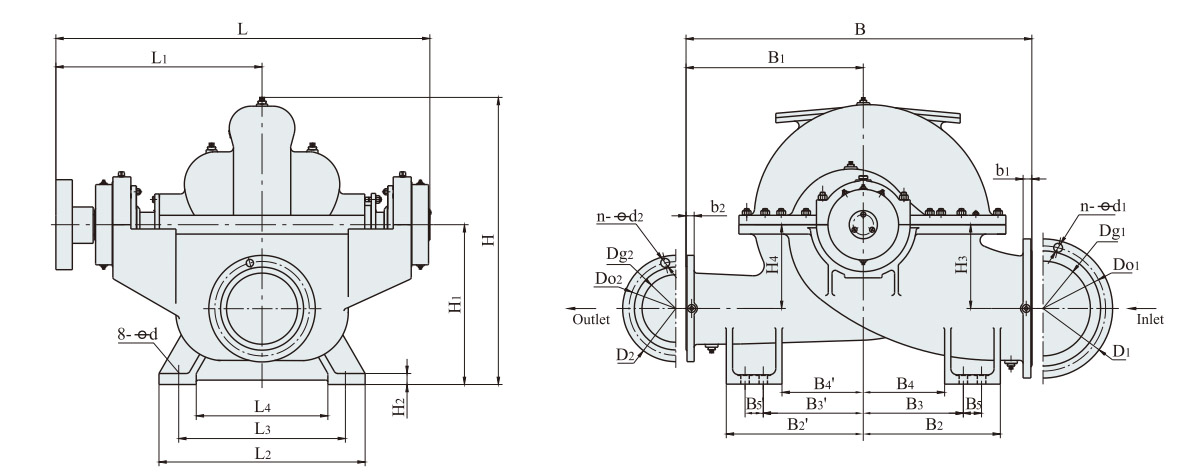
| Тип | Размеры фигурки насоса | Размеры входного фланца | Размеры выходного фланца | |||||||||||||||||||||||||
| L | Л1 | Л2 | Л3 | Л4 | B | Б1 | Б2 | Б3 | Б3 ' | Б4 | Б4 ' | H | H1 | Н2 | Н3 | Н4 | 4-φд | Дг1 | До1 | Д1 | Б1 | n-φd1 | ГД2 | До2 | Д2 | Б2 | n-φd2 | |
| 150С-100 | 740.5 | 410 | 330 | 280 | 190 | 550 | 250 | 330 | 280 | — | 190 | — | 490 | 285 | 25 | 140 | 170 | 4-F18 | 150 | 240 | 285 | 26 | 8-Ф23 | 100 | 180 | 220 | 24 | 8-F19 |
| 150С-78 | 713.5 | 397 | 330 | 280 | 190 | 550 | 250 | 330 | 280 | — | 190 | — | 472.5 | 285 | 25 | 140 | 155 | 4-F18 | 150 | 240 | 285 | 26 | 8-Ф23 | 100 | 180 | 220 | 24 | 8-F19 |
| 150С-78А | ||||||||||||||||||||||||||||
| 150С-50 | 713.5 | 397 | 330 | 280 | 190 | 550 | 250 | 330 | 280 | — | 190 | — | 455 | 285 | 25 | 140 | 140 | 4-F18 | 150 | 240 | 285 | 26 | 8-Ф23 | 100 | 180 | 220 | 24 | 8-F19 |
| 150С-50А | ||||||||||||||||||||||||||||
| 150С-50Б | ||||||||||||||||||||||||||||
| 200С-95 | 850.5 | 475 | 330 | 280 | 190 | 680 | 330 | 330 | 280 | — | 190 | — | 555 | 355 | 25 | 170 | 170 | 4-F18 | 200 | 295 | 340 | 24 | 8-Ф23 | 125 | 210 | 250 | 22 | 8-F19 |
| 200С-95А | ||||||||||||||||||||||||||||
| 200С-95Б | ||||||||||||||||||||||||||||
| 200С-63 | 743.5 | 409 | 330 | 280 | 190 | 620 | 300 | 330 | 280 | — | 190 | — | 547 | 355 | 25 | 170 | 170 | 4-F18 | 200 | 295 | 340 | 24 | 8-Ф23 | 150 | 240 | 285 | 24 | 8-Ф23 |
| 200С-63А | ||||||||||||||||||||||||||||
| 200С-42 | 743.5 | 409 | 330 | 280 | 190 | 620 | 300 | 330 | 280 | — | 190 | — | 547 | 355 | 25 | 170 | 170 | 4-F18 | 200 | 295 | 340 | 24 | 8-Ф23 | 150 | 240 | 285 | 24 | 8-Ф23 |
| 200С-42А | ||||||||||||||||||||||||||||
| 250С-65 | 1100.5 | 612 | 510 | 450 | 330 | 880 | 400 | 620 | 550 | — | 430 | — | 856 | 510 | 40 | 240 | 300 | 4-Ф27 | 250 | 350 | 395 | 28 | 12-Ф23 | 150 | 240 | 285 | 26 | 8-Ф23 |
| 250с-65А | ||||||||||||||||||||||||||||
| 250С-39 | 983.5 | 549 | 410 | 350 | 230 | 890 | 440 | 510 | 450 | — | 330 | — | 750 | 450 | 30 | 200 | 260 | 4-Ф27 | 250 | 350 | 395 | 28 | 12-Ф23 | 200 | 295 | 340 | 26 | 8-Ф23 |
| 250с-39а | ||||||||||||||||||||||||||||
| 250С-24 | 983.5 | 517 | 410 | 350 | 230 | 850 | 400 | 510 | 450 | — | 330 | — | 738 | 4450 | 30 | 210 | 215 | 4-Ф27 | 250 | 350 | 395 | 28 | 12-Ф23 | 200 | 295 | 340 | 26 | 8-Ф23 |
| 250С-24А | ||||||||||||||||||||||||||||
| 250С-14 | 892.5 | 485 | 410 | 350 | 230 | 745 | 330 | 510 | 450 | — | 330 | — | 709 | 450 | 30 | 210 | 215 | 4-Ф27 | 250 | 350 | 395 | 28 | 12-Ф23 | 200 | 295 | 340 | 26 | 8-Ф23 |
| 250С-14А | ||||||||||||||||||||||||||||
| Тип | Размеры фигурки насоса | Размеры входного фланца | Размеры выходного фланца | |||||||||||||||||||||||||
| L | Л1 | Л2 | Л3 | Л4 | B | Б1 | Б2 | Б3 | Б3 ' | Б4 | Б4 ' | H | H1 | Н2 | Н4 | 4-φд | Дг1 | До1 | Д1 | Б1 | n-φd1 | ГД2 | До2 | Д2 | Б2 | n-φd2 | ||
| 300С-90 | 1185 | 660 | 510 | 450 | 330 | 1046 | 470 | 620 | 550 | — | 420 | — | 898 | 510 | 40 | 268 | 325 | 4-Ф27 | 300 | 400 | 440 | 28 | 12-Ф23 | 200 | 295 | 340 | 26 | 8-Ф23 |
| 300С-90А | ||||||||||||||||||||||||||||
| 300С-90Б | ||||||||||||||||||||||||||||
| 300С-58 | 1140 | 630 | 510 | 450 | 330 | 1070 | 530 | 620 | 550 | — | 430 | — | 852 | 510 | 40 | 240 | 310 | 4-Ф27 | 300 | 400 | 445 | 28 | 12-Ф23 | 250 | 350 | 395 | 28 | 12-Ф23 |
| 300С-58А | ||||||||||||||||||||||||||||
| 300С-58Б | ||||||||||||||||||||||||||||
| 300С-32 | 1100 | 605 | 510 | 450 | 330 | 880 | 410 | 620 | 550 | — | 430 | — | 824 | 510 | 40 | 260 | 270 | 4-Ф27 | 300 | 400 | 445 | 28 | 12-Ф23 | 250 | 350 | 395 | 28 | 12-Ф23 |
| 300С-32А | ||||||||||||||||||||||||||||
| 300С-19 | 978.5 | 537 | 510 | 450 | 330 | 900 | 400 | 620 | 550 | — | 430 | — | 808 | 510 | 40 | 250 | 260 | 4-Ф27 | 300 | 400 | 445 | 28 | 12-Ф23 | 250 | 350 | 395 | 28 | 12-Ф23 |
| 300С-19А | ||||||||||||||||||||||||||||
| 300С-12 | 1009 | 552 | 510 | 450 | 330 | 1000 | 500 | 620 | 550 | — | 430 | — | 808 | 510 | 40 | 265 | 265 | 4-Ф27 | 300 | 400 | 445 | 28 | 12-Ф23 | 300 | 400 | 445 | 28 | 12-Ф23 |
| 300С-12А | ||||||||||||||||||||||||||||
| 350С-125 | 1431 | 801 | 580 | 500 | 360 | 1210 | 550 | 680 | 600 | — | 450 | — | 1080 | 620 | 50 | 330 | 410 | 4-Ф34 | 350 | 460 | 505 | 30 | 16-Ф23 | 200 | 295 | 340 | 26 | 12-Ф23 |
| 350С-125А | ||||||||||||||||||||||||||||
| 350С-125Б | ||||||||||||||||||||||||||||
| 350С-75 | 1272 | 710 | 600 | 500 | 360 | 1250 | 600 | 690 | 600 | — | 450 | — | 1017 | 620 | 50 | 274 | 356 | 4-Ф34 | 350 | 460 | 505 | 30 | 16-Ф23 | 250 | 350 | 395 | 28 | 12-Ф23 |
| 350с-75а | ||||||||||||||||||||||||||||
| 350с-75Б | ||||||||||||||||||||||||||||
| 350С-44 | 1233 | 675 | 580 | 500 | 360 | 1040 | 460 | 680 | 600 | — | 450 | — | 980 | 620 | 50 | 290 | 300 | 4-Ф34 | 350 | 460 | 505 | 30 | 16-Ф23 | 300 | 400 | 445 | 28 | 12-Ф23 |
| 350С-44А | ||||||||||||||||||||||||||||
| 350С-26 | 1171 | 642 | 580 | 500 | 360 | 1040 | 460 | 680 | 600 | — | 450 | — | 963 | 620 | 50 | 290 | 300 | 4-Ф34 | 350 | 460 | 505 | 30 | 16-Ф23 | 300 | 400 | 445 | 28 | 12-Ф23 |
| 350с-26А | ||||||||||||||||||||||||||||
| 350С-16 | 1129 | 622 | 580 | 500 | 360 | 1168 | 584 | 680 | 600 | — | 450 | — | 970 | 620 | 50 | 310 | 310 | 4-Ф34 | 350 | 460 | 505 | 30 | 16-Ф23 | 350 | 460 | 505 | 30 | 16-Ф23 |
| 350С-16А | ||||||||||||||||||||||||||||
| Тип | Размеры фигурки насоса | Размеры входного фланца | Размеры выходного фланца | |||||||||||||||||||||||||
| L | Л1 | Л2 | Л3 | Л4 | B | Б1 | Б2 | Б3 | Б3 ' | Б4 | Б4 ' | H | H1 | Н2 | Н3 | Н4 | 4-φд | Дг1 | До1 | Д1 | Б1 | n-φd1 | ГД2 | До2 | Д2 | Б2 | n-φd2 | |
| 400С-90 | 1747 | 907 | 820 | 700 | 480 | 1645 | 900 | 900 | 700 | — | 500 | — | 1130 | 670 | 40 | 372 | 482 | 4-Ф35 | 400 | 515 | 565 | 32 | 16-Ф28 | 350 | 460 | 505 | 30 | 16-Ф23 |
| 400С-90А | ||||||||||||||||||||||||||||
| 400С-90Б | ||||||||||||||||||||||||||||
| 400С-40 | 1747 | 907 | 820 | 700 | 480 | 1645 | 900 | 900 | 700 | — | 500 | — | 1130 | 670 | 40 | 372 | 482 | 4-Ф35 | 400 | 515 | 565 | 32 | 16-Ф28 | 350 | 460 | 505 | 30 | 16-Ф23 |
| 400С-40А | ||||||||||||||||||||||||||||
| 500С-98 | 1639.5 | 912 | 760 | 580 | 420 | 1550 | 750 | 1020 | 800 | — | 580 | — | 1381 | 800 | 55 | 425 | 545 | 4-Ф41 | 500 | 620 | 670 | 34 | 20-Ф28 | 300 | 410 | 460 | 32 | 12-Ф28 |
| 500С-98А | ||||||||||||||||||||||||||||
| 500С-98Б | ||||||||||||||||||||||||||||
| 500С-59 | 1639.5 | 907 | 760 | 580 | 420 | 1640 | 810 | 1020 | 800 | — | 580 | — | 1300 | 800 | 55 | 370 | 480 | 4-Ф41 | 500 | 620 | 670 | 34 | 20-Ф28 | 350 | 460 | 505 | 30 | 16-Ф23 |
| 500С-59А | ||||||||||||||||||||||||||||
| 500С-59Б | ||||||||||||||||||||||||||||
| 500С-35 | 1363.5 | 756 | 760 | 580 | 420 | 1350 | 630 | 1020 | 800 | — | 580 | — | 1270 | 800 | 55 | 415 | 415 | 4-Ф41 | 500 | 620 | 670 | 34 | 20-Ф28 | 350 | 460 | 505 | 30 | 16-Ф23 |
| 500С-35А | ||||||||||||||||||||||||||||
| 500С-22 | 1396.5 | 770 | 760 | 580 | 420 | 1460 | 640 | 1020 | 800 | — | 580 | — | 1266 | 800 | 55 | 410 | 410 | 4-Ф41 | 500 | 620 | 670 | 34 | 20-Ф28 | 400 | 515 | 565 | 32 | 16-Ф28 |
| 500С-22А | ||||||||||||||||||||||||||||
| 500С-13 | 1308.5 | 714.5 | 760 | 580 | 420 | 1550 | 775 | 1020 | 800 | — | 580 | — | 1251 | 800 | 55 | 410 | 410 | 4-Ф41 | 500 | 620 | 670 | 34 | 20-Ф28 | 500 | 620 | 670 | 34 | 20-Ф28 |
| 600С-100 | 1935 | 1100 | 960 | 760 | 560 | 1900 | 900 | 1300 | 1000 | — | 700 | — | 1610 | 950 | 55 | 530 | 590 | 4-Ф42 | 600 | 725 | 780 | 36 | 20-Ф31 | 400 | 525 | 580 | 38 | 16-Ф31 |
| 600С-100А | ||||||||||||||||||||||||||||
| 600С-100Б | ||||||||||||||||||||||||||||
| 600С-75 | 1694.5 | 940 | 940 | 760 | 600 | 1900 | 940 | 1020 | 800 | — | 580 | — | 1550 | 950 | 55 | 425 | 555 | 4-Ф41 | 600 | 725 | 780 | 36 | 20-Ф31 | 400 | 515 | 565 | 32 | 16-Ф28 |
| 600С-75А | ||||||||||||||||||||||||||||
| 600С-47 | 1694.5 | 940 | 940 | 760 | 600 | 1595 | 745 | 1020 | 800 | — | 580 | — | 1505 | 950 | 55 | 490 | 490 | 4-Ф41 | 600 | 725 | 780 | 36 | 20-Ф31 | 400 | 515 | 565 | 32 | 16-Ф28 |
| Тип | Размеры фигурки насоса | Размеры входного фланца | Размеры выходного фланца | |||||||||||||||||||||||||
| L | Л1 | Л2 | Л3 | Л4 | B | Б1 | Б2 | Б3 | Б3 ' | Б4 | Б4 ' | H | H1 | Н2 | Н3 | Н4 | 4-φд | Дг1 | До1 | Д1 | Б1 | n-φd1 | ГД2 | До2 | Д2 | Б2 | n-φd2 | |
| 600С-32 | 1627.5 | 900 | 940 | 760 | 600 | 1600 | 750 | 1020 | 800 | — | 580 | — | 1490 | 950 | 55 | 480 | 480 | 4-Ф41 | 600 | 725 | 780 | 36 | 20-Ф31 | 500 | 620 | 670 | 34 | 20-Ф28 |
| 600С-32А | ||||||||||||||||||||||||||||
| 600С-32Б | ||||||||||||||||||||||||||||
| 600С-22 | 1466.5 | 805 | 940 | 760 | 600 | 1790 | 840 | 1020 | 800 | — | 580 | — | 1476 | 950 | 55 | 460 | 460 | 4-Ф41 | 600 | 725 | 780 | 36 | 20-Ф31 | 500 | 620 | 670 | 34 | 20-Ф28 |
| 600С-22А | ||||||||||||||||||||||||||||
| 800С-105 | 2435 | 1367.5 | 1300 | 1000 | 700 | 2400 | 1100 | 1700 | 1350 | — | 1000 | — | 2190 | 1250 | 55 | 700 | 800 | 4-Ф58 | 800 | 950 | 1015 | 44 | 24-Ф33 | 600 | 770 | 840 | 48 | 20-Ф37 |
| 800С-76 | 2271 | 1270 | 1300 | 1000 | 700 | 2350 | 1150 | 1700 | 1350 | — | 1000 | — | 2105 | 1250 | 55 | 700 | 745 | 4-Ф58 | 800 | 950 | 1015 | 44 | 24-Ф33 | 600 | 725 | 780 | 36 | 20-Ф30 |
| 800С-70 | 2550 | 1445 | 1300 | 1000 | 700 | 2385 | 1100 | 1700 | 1350 | — | 1000 | — | 2200 | 1250 | 55 | 700 | 880 | 4-Ф58 | 800 | 950 | 1015 | 44 | 24-Ф34 | 600 | 725 | 780 | 36 | 20-Ф31 |
| 800С-47 | 2315 | 1300 | 1200 | 1000 | 800 | 2025 | 875 | 1200 | 900 | 600 | 2074 | 1200 | 55 | 660 | 660 | 4-Ф42 | 800 | 950 | 1015 | 44 | 24-Ф33 | 600 | 725 | 780 | 36 | 20-Ф30 | ||
| 800С-32 | 3750 | 2050 | 1200 | 1000 | 800 | 2150 | 1000 | 1200 | 900 | — | 600 | — | 2044 | 1200 | 55 | 660 | 660 | 4-Ф42 | 800 | 950 | 1015 | 44 | 24-Ф33 | 600 | 725 | 780 | 36 | 20-Ф30 |
| 800С-22 | 2100 | 1244 | 1200 | 1000 | 800 | 2150 | 1000 | 1200 | 900 | — | 600 | — | 2014 | 1200 | 55 | 660 | 660 | 4-Ф42 | 800 | 950 | 1015 | 44 | 24-Ф33 | 600 | 725 | 780 | 36 | 20-Ф30 |
| 900С-23 | 2730 | 1350 | 1200 | 1000 | 700 | 2400 | 840 | 1200 | 900 | — | 600 | — | 2400 | 1400 | 60 | 840 | 760 | 4-Ф42 | 900 | 1050 | 1115 | 44 | 28-Ф34 | 700 | 840 | 895 | 40 | 24-Ф31 |
| 1000С-36 | 3550 | 2000 | 1550 | 1400 | 1000 | 2900 | 1360 | 1900 | 1200 | — | 900 | — | 2750 | 1600 | 70 | 860 | 760 | 4-Ф42 | 1000 | 1160 | 1230 | 50 | 28-Ф37 | 800 | 950 | 1015 | 44 | 24-Ф34 |
| Тип | Размеры фигурки насоса | Размеры входного фланца | Размеры выходного фланца | ||||||||||||||||||||||||||||
| L | Л1 | Л2 | Л3 | Л4 | B | Б1 | Б2 | Б2 ' | Б3 | Б3 ' | Б4 | Б4 ' | Б5 | Б5' | H | H1 | Н2 | Н3 | Н4 | 4-φд | Дг1 | До1 | Д1 | Б1 | n-φd1 | ГД2 | До2 | Д2 | Б2 | n-φd2 | |
| 1200С-24 | 2480 | 1370 | 1450 | 1200 | 950 | 3000 | 1400 | 1000 | 1000 | 700 | 700 | 600 | 600 | 200 | 200 | 2700 | 1700 | 60 | 850 | 975 | 8-Ф42 | 1200 | 1380 | 1455 | 56 | 32-Ф40 | 1000 | 1160 | 1230 | 50 | 28-Ф37 |
| 1200С-39 | 3295 | 1700 | 1680 | 1250 | 900 | 2800 | 1250 | 1100 | 1100 | 875 | 875 | 790 | 790 | 150 | 150 | 2700 | 1650 | 80 | 870 | 1020 | 8-Ф48 | 1200 | 1380 | 1455 | 56 | 32-Ф40 | 1000 | 1160 | 1230 | 50 | 28-Ф37 |
| 1200-е-39а | |||||||||||||||||||||||||||||||
| 1200-е-39Б | |||||||||||||||||||||||||||||||
| 1200С-56 | 3295 | 1700 | 1680 | 1250 | 900 | 2800 | 1250 | 1100 | 1100 | 875 | 875 | 790 | 790 | 150 | 150 | 2700 | 1650 | 80 | 870 | 1020 | 8-Ф48 | 1200 | 1380 | 1455 | 56 | 32-Ф40 | 1000 | 1160 | 1230 | 50 | 28-Ф37 |
| 1200С-56А | |||||||||||||||||||||||||||||||
| 1200С-56Б | |||||||||||||||||||||||||||||||
| 1200С-76 | 2840 | 1500 | 1750 | 1500 | 1250 | 2800 | 1250 | 1100 | 900 | 850 | 650 | 750 | 550 | 150 | 150 | 2700 | 1650 | 80 | 870 | 950 | 8-Ф48 | 1200 | 1380 | 1455 | 56 | 32-Ф40 | 1000 | 1160 | 1230 | 50 | 28-Ф37 |
| 1200С-76А | |||||||||||||||||||||||||||||||
| 1200С-76Б | |||||||||||||||||||||||||||||||
| Тип | C | Двигатель | Объем двигателя | Размер фундамента |
E | H1 | L | t | Фланец трубы Gloric | |||||||||||||
| Тип двигателя | Власть (КВт) |
Напряжение (В) |
Л1 | h | H | Л2 | Л3 | Л4 | P | B | n1-φd1 | Д2 | До2 | ГД2 | Б2 | n2-φd2 | ||||||
| 150С-100 | 4 | Y280S-2 | 75 | 380 | 1000 | 640 | 280 | 550 | 550 | 1375 | 75 | 457 | 6-Ф20 | 300 | 425 | 1723 | 350 | 150 | 280 | 240 | 24 | 8-Ф23 |
| 150С-78 | 4 | Я250М-2 | 55 | 380 | 930 | 575 | 250 | 520 | 520 | 1294 | 75 | 406 | 6-Ф20 | 300 | 425 | 1640 | 350 | 150 | 280 | 240 | 24 | 8-Ф23 |
| 150С-78А | 4 | Y225M-2 | 45 | 380 | 815 | 530 | 225 | 480 | 480 | 1195 | 356 | 1525 | ||||||||||
| 150С-50 | 4 | Y200L2-2 | 37 | 380 | 775 | 475 | 200 | 470 | 470 | 1170 | 100 | 380 | 6-Ф20 | 300 | 425 | 1484 | 350 | 150 | 280 | 240 | 24 | 8-Ф23 |
| 150С-50А | 4 | Y200L1-2 | 30 | 380 | 775 | 475 | 200 | 470 | 470 | 1170 | 1484 | |||||||||||
| 150С-50Б | 4 | Я180М-2 | 22 | 380 | 670 | 430 | 180 | 450 | 450 | 1095 | 1379 | |||||||||||
| 200С-63 | 4 | Y280S-2 | 75 | 380 | 1000 | 640 | 280 | 570 | 570 | 1372 | 75 | 457 | 6-Ф20 | 350 | 495 | 1750 | 350 | 200 | 335 | 295 | 26 | 8-Ф23 |
| 200С-63А | 4 | Я250М-2 | 55 | 380 | 930 | 575 | 250 | 550 | 550 | 1308 | 406 | 1680 | ||||||||||
| 200С-42 | 4 | Y225M-2 | 45 | 380 | 815 | 530 | 225 | 460 | 460 | 1212 | 75 | 400 | 6-Ф20 | 350 | 495 | 1564 | 350 | 200 | 335 | 295 | 26 | 8-Ф23 |
| 200С-42А | 4 | Y200L2-2 | 37 | 380 | 775 | 475 | 200 | 480 | 480 | 1184 | 280 | 1524 | ||||||||||
| 250С-39 | 4 | Y280S-4 | 75 | 380 | 1000 | 640 | 280 | 620 | 620 | 1565 | 65 | 450 | 6-Ф25 | 300 | 610 | 1931 | 450 | 250 | 390 | 350 | 28 | 12-Ф23 |
| 250с-39а | 4 | Я250М-4 | 55 | 380 | 930 | 575 | 250 | 550 | 550 | 1417 | 560 | 6-Ф20 | 590 | 1861 | 350 | |||||||
| 250С-24 | 4 | Y225M-4 | 45 | 380 | 845 | 530 | 225 | 520 | 520 | 1400 | 120 | 450 | 6-Ф20 | 300 | 590 | 1784 | 350 | 250 | 390 | 350 | 28 | 12-Ф23 |
| 250С-24А | 4 | Y225S-4 | 37 | 380 | 820 | 530 | 225 | 550 | 550 | 1375 | 1759 | |||||||||||
| 250С-14 | 4 | Y200L-4 | 30 | 380 | 775 | 475 | 200 | 520 | 520 | 1306 | 120 | 450 | 6-Ф20 | 300 | 590 | 1654 | 350 | 250 | 390 | 350 | 28 | 12-Ф23 |
| 250С-14А | 4 | Я180М-4 | 18.5 | 380 | 670 | 430 | 180 | 520 | 520 | 1234 | 1549 | |||||||||||
| 300С-32 | 4 | Я280М-4 | 90 | 380 | 1050 | 640 | 280 | 740 | 740 | 1710 | 150 | 560 | 6-Ф20 | 300 | 690 | 2150 | 350 | 300 | 440 | 400 | 28 | 12-Ф23 |
| 300С-32А | 4 | Y280S-4 | 75 | 380 | 1000 | 640 | 280 | 740 | 740 | 1660 | 2100 | |||||||||||
| 300С-19 | 4 | Я250М-4 | 55 | 380 | 930 | 575 | 250 | 600 | 600 | 1525 | 165 | 550 | 6-Ф20 | 300 | 670 | 1922 | 350 | 300 | 440 | 400 | 28 | 12-Ф23 |
| 300С-19А | 4 | Y225M-4 | 45 | 380 | 845 | 530 | 225 | 590 | 590 | 1460 | 1837 | |||||||||||
| 300С-12 | 4 | Y225S-4 | 37 | 380 | 820 | 530 | 225 | 600 | 600 | 1450 | 165 | 550 | 6-Ф20 | 670 | 1827 | 350 |
|
|||||
| 300С-12А | 4 | Y200L-4 | 30 | 380 | 775 | 475 | 200 | 580 | 580 | 1415 | 1782 | |||||||||||
| Тип | C | Двигатель | Объем двигателя | E | L | Л2 | Фланец трубы Gloric | |||||||||||
| Тип двигателя | Власть (КВт) |
Напряжение (В) |
Л1 | H | h | B | A | n-φd1 | ГД2 | Д2 | До2 | Б2 | n-φd2 | |||||
| 150С-100 | 4 | Y280S-2 | 75 | 380 | 1000 | 280 | 640 | 368 | 457 | 4-F24 | 300 | 150 | 280 | 240 | 24 | 8-Ф23 | ||
| 150С-78 | Я250М-2 | 55 | 380 | 930 | 250 | 575 | 349 | 406 | 4-F24 | 1647.5 | 569 | |||||||
| 150С-78А | Y225M-2 | 45 | 815 | 225 | 530 | 311 | 356 | 4-F19 | 1532.5 | 520 | ||||||||
| 150С-50 | 4 | Y200L2-2 | 37 | 380 | 775 | 200 | 475 | 305 | 318 | 4-F19 | 300 | 1492.5 | 504 | |||||
| 150С-50А | Y200L1-2 | 30 | 775 | 200 | 475 | 305 | 318 | 4-F19 | 1492.5 | 504 | ||||||||
| 150С-50Б | Я180М-2 | 22 | 670 | 180 | 430 | 241 | 279 | 4-F15 | 1387.5 | 492 | ||||||||
| 200С-95 | 4 | Я315м-2 | 132 | 380 | 1310 | 315 | 865 | 457 | 508 | 4-Ф28 | 375 | 2164.5 | 695 | 200 | 335 | 295 | 26 | 8-Ф23 |
| 200С-95А | Y315S-2 | 110 | 1240 | 315 | 865 | 406 | 508 | 4-Ф28 | 2094.5 | 695 | ||||||||
| 200С-95Б | Y280S-2 | 75 | 1000 | 280 | 640 | 368 | 457 | 4-F24 | 1854.5 | 669 | ||||||||
| 200С-63 | 4 | Y280S-2 | 75 | 380 | 1000 | 280 | 640 | 368 | 457 | 4-F24 | 350 | 1747.5 | 603 | 200 | 335 | 295 | 26 | 8-Ф23 |
| 200С-63А | Я250М-2 | 55 | 930 | 250 | 575 | 349 | 406 | 4-F24 | 1677.5 | 581 | ||||||||
| 200С-42 | 4 | Y225M-2 | 45 | 380 | 815 | 225 | 530 | 311 | 356 | 4-F19 | 350 | 1562.5 | 532 | 200 | 335 | 295 | 26 | 8-Ф23 |
| 200С-42А | Y200L2-2 | 37 | 775 | 200 | 475 | 305 | 318 | 4-F19 | 1522.5 | 516 | ||||||||
| 250С-65 | 4 | Я315м-4 | 132 | 380 | 1340 | 315 | 865 | 457 | 508 | 4-Ф28 | 500 | 2444.5 | 777 | 250 | 390 | 350 | 28 | 12-Ф23 |
| 250с-65А | Я280М-4 | 90 | 1050 | 280 | 640 | 419 | 457 | 4-F24 | 2154.5 | 721 | ||||||||
| 250С-3г | 4 | Y280S-4 | 75 | 380 | 1000 | 280 | 640 | 368 | 457 | 4-F24 | 300 | 1987.5 | 711 | 250 | 390 | 350 | 28 | 12-Ф23 |
| 250с-39а | Я250М-4 | 55 | 930 | 250 | 575 | 349 | 406 | 4-F24 | 1917.5 | 689 | ||||||||
| 250С-24 | 4 | Y225M-4 | 45 | 380 | 845 | 225 | 530 | 311 | 356 | 4-F19 | 300 | 1787.5 | 635 | 250 | 390 | 350 | 28 | 12-Ф23 |
| 250С-24А | Y225S-4 | 37 | 820 | 225 | 530 | 286 | 356 | 4-F19 | 1762.5 | |||||||||
| 250С-14 | 4 | Y200L-4 | 30 | 380 | 775 | 200 | 475 | 305 | 318 | 4-F19 | 1671.5 | 557 | ||||||
| 250С-14А | Я180М-4 | 18.5 | 670 | 180 | 430 | 241 | 279 | 4-F15 | 1566.5 | 545 | ||||||||
| 300С-90 | 5 | Y3554-4 | 315 | 6000 | 1820 | 355 | 780 | 900 | 630 | 4-Ф28 | 500 | 2998.5 | 949 | 300 | 440 | 400 | 28 | 12-Ф23 |
| Тип | C | Двигатель | Объем двигателя |
E | L | Л2 | Фланец трубы Gloric | |||||||||||
| Тип двигателя | Власть (КВт) |
Напряжение (В) |
Л1 | H | h | B | A | n-φd1 | ГД2 | Д₂ | До2 | Б2 | n-φd2 | |||||
| 300С-90А | 5 | Y3553-4 | 280 | 6000 | 1820 | 355 | 780 | 900 | 630 | 4-Ф28 | 500 | 2998.5 | 949 | 300 | 440 | 400 | 28 | 12-Ф23 |
| 300С-90Б | Y3551-4 | 220 | 1820 | 355 | 780 | 900 | 630 | 4-Ф28 | 2998.5 | |||||||||
| 300С-58 | 4 | Y315l2-4 | 200 | 380 | 1340 | 315 | 865 | 508 | 508 | 4-Ф28 | 300 | 2483.5 | 795 | 300 | 440 | 400 | 28 | 12-Ф23 |
| 300С-58А | Y315l1-4 | 160 | 1340 | 315 | 865 | 508 | 508 | 4-Ф28 | 2483.5 | |||||||||
| 300С-58Б | Я315м-4 | 132 | 1340 | 315 | 865 | 457 | 508 | 4-Ф28 | 2483.5 | |||||||||
| 300С-32 | 4 | Я280М-4 | 90 | 380 | 1050 | 280 | 640 | 419 | 457 | 4-F24 | 300 | 2153.5 | 714 | 300 | 440 | 400 | 28 | 12-Ф23 |
| 300С-32А | Y280S-4 | 75 | 1000 | 280 | 640 | 368 | 457 | 4-F24 | 2103.5 | |||||||||
| 300С-19 | 4 | Я250М-4 | 55 | 380 | 930 | 250 | 575 | 349 | 406 | 4-F24 | 300 | 1912.5 | 624 | 300 | 440 | 400 | 28 | 12-Ф23 |
| 300С-19А | Y225M-4 | 45 | 845 | 225 | 530 | 311 | 356 | 4-F19 | 1827.5 | 605 | ||||||||
| 300С-12 | 4 | Y225S-4 | 37 | 380 | 820 | 225 | 530 | 286 | 356 | 4-F19 | _ | 1832.5 | 620 | _ | _ | _ | _ | _ |
| 300С-12А | Y200L-4 | 30 | 775 | 200 | 475 | 305 | 318 | 4-F19 | 1787.5 | 574 | ||||||||
| 350С-125 | 7 | Y4502-4 | 710 | 6000 | 2080 | 450 | 935 | 1120 | 800 | 4-Ф35 | 750 | 3517.5 | 1123 | 350 | 520 | 470 | 38 | 16-Ф25 |
| 350С-125А | Y4501-4 | 630 | 2080 | 450 | 935 | 1120 | 800 | 4-Ф35 | 3517.5 | 1123 | ||||||||
| 350С-125Б | Y4004-4 | 500 | 1940 | 400 | 835 | 1000 | 710 | 4-Ф35 | 3377.5 | 1103 | ||||||||
| 350С-75 | 5 | Y4001-4 | 355 |
6000 6000 6000 |
1940 | 400 | 835 | 1000 | 710 | 4-Ф35 | 500 | 3191.5 | 980 | 350 | 500 | 460 | 30 | 16-Ф23 |
| 350с-75а | Y3553-4 | 280 | 1820 | 355 | 780 | 900 | 630 | 4-Ф28 | 3071.5 | 960 | ||||||||
| 350с-75Б | Y3551-4 | 220 | 1820 | 355 | 780 | 900 | 630 | 4-Ф28 | 3071.5 | 960 | ||||||||
| 350С-44 | 5 | Y3551-4 | 220 | 6000 | 1820 | 355 | 780 | 900 | 630 | 4-Ф28 | 300 | 3057.5 | 955 | 350 | 500 | 460 | 30 | 16-Ф23 |
| 350С-44А | Y315l1-4 | 160 | 380 | 1340 | 315 | 865 | 508 | 508 | 4-Ф28 | 2577.5 | 856 | |||||||
| 350С-26 | 4 | Я315м-4 | 132 | 380 | 1340 | 315 | 865 | 457 | 508 | 4-Ф28 | 300 | 2514.5 | 726 | 350 | 500 | 460 | 30 | 16-Ф23 |
| 350с-26А | Я280М-4 | 90 | 380 | 1050 | 280 | 640 | 419 | 457 | 4-F24 | 2224.5 | 706 | |||||||
| Тип | C | Двигатель | Объем двигателя | E | L | Л2 | Фланец трубы Gloric | |||||||||||
| Тип двигателя | Власть (КВт) |
Напряжение (В) |
Л1 | H | h | B | A | n-φd1 | ГД2 | Д2 | До2 | Б2 | n-φd2 | |||||
| 350С-16 | 4 | Y280S-4 | 75 | 380 | 1000 | 280 | 640 | 368 | 457 | 4-F24 | _ | 2132.5 | 684 | _ | _ | _ | _ | _ |
| 350С-16А | Y250s-4 | 55 | 380 | 930 | 250 | 575 | 349 | 406 | 4-F24 | 2062.5 | 1169 | |||||||
| 500С-98 | 7 | Y5002-6 | 800 | 6000 | 2550 | 500 | 1040 | 1250 | 900 | 4-Ф42 | 1000 | 4196.5 | 1354 | 500 | 670 | 620 | 34 | 20-Ф25 |
| 500С-98А | Y4504-6 | 630 | 6000 | 2120 | 450 | 935 | 1120 | 800 | 4-Ф35 | 3766.5 | 1234 | |||||||
| 500С-98Б | Y4503-6 | 560 | 6000 | 2120 | 450 | 935 | 1120 | 800 | 4-Ф35 | 3766.5 | 1234 | |||||||
| 500С-59 | 7 | Y4501-6 | 450 | 6000 | 2120 | 450 | 935 | 1120 | 800 | 4-Ф35 | 800 | 3766.5 | 1229 | 500 | 670 | 620 | 34 | 20-Ф25 |
| 500С-59А | Y4005-6 | 400 | 6000 | 1940 | 400 | 835 | 1000 | 710 | 4-Ф35 | 3586.5 | 1169 | |||||||
| 500С-59Б | Y4003-6 | 315 | 6000 | 1940 | 400 | 835 | 1000 | 710 | 4-Ф35 | 3586.5 | 1169 | |||||||
| 500С-35 | 6 | Y4002-6 | 280 | 6000 | 1940 | 400 | 835 | 1000 | 710 | 4-Ф35 | 800 | 3309.5 | 1017 | 500 | 670 | 620 | 34 | 20-Ф25 |
| 500С-35А | Y3553-6 | 220 | 6000 | 1820 | 355 | 780 | 900 | 630 | 4-Ф28 | 3189.5 | 997 | |||||||
| 500С-22 | 6 | Y3553-6 | 220 | 6000 | 1820 | 355 | 780 | 900 | 630 | 4-Ф28 | 600 | 3221.5 | 1010 | 500 | 670 | 620 | 34 | 20-Ф25 |
| 500С-22А | Y315l2-6 | 132 | 380 | 1340 | 315 | 865 | 508 | 508 | 4-Ф28 | 2741.5 | 871 | |||||||
| 500С-13 | 5 | Y315l1-6 | 110 | 380 | 1340 | 315 | 860 | 508 | 508 | 4-Ф28 | _ | 2653.5 | 815.5 | _ | _ | _ | _ | _ |
| 600С-75 | 7 | Y5003-6 | 900 | 6000 | 2550 | 500 | 1040 | 1250 | 900 | 4-Ф42 | 600 | 4251.5 | 1292 | 500 | 670 | 620 | 34 | 20-Ф25 |
| 600С-75А | Y5002-6 | 800 | 6000 | 2550 | 500 | 1040 | 1250 | 900 | 4-Ф42 | 4251.5 | 1292 | |||||||
| 600С-47 | 7 | Y4503-6 | 560 | 6000 | 2120 | 450 | 935 | 1120 | 800 | 4-Ф35 | 600 | 3821.5 | 1172 | 500 | 670 | 620 | 34 | 20-Ф25 |
| 600С-32 | 6 | Y4005-6 | 400 | 6000 | 1940 | 400 | 835 | 1000 | 710 | 4-Ф35 | _ | 3573.5 | 1053 | _ | _ | _ | _ | _ |
| 600С-32А | Y4002-6 | 280 | 6000 | 1940 | 400 | 835 | 1000 | 710 | 4-Ф35 | 3555.5 | 1053 | |||||||
| 600С-32Б | 6 | Y3554-6 | 250 | 6000 | 1820 | 355 | 780 | 900 | 630 | 4-Ф32 | _ | 3435.5 | 1013 | _ | _ | _ | _ | _ |
| 600С-22 | Y3554-6 | 250 | 6000 | 1820 | 355 | 780 | 900 | 630 | 4-Ф32 | 3292.5 | 956 | |||||||
| 600С-22А | Y3553-6 | 220 | 6000 | 1820 | 355 | 780 | 900 | 630 | 4-Ф28 | 3292.5 | 956 | |||||||
| Тип | C | Двигатель | Объем двигателя | E | L | Л2 | Фланец трубы Gloric | |||||||||||
| Тип двигателя | Власть (КВт) |
Напряжение (В) |
Л1 | H | h | B | A | n-φd1 | ГД2 | Д2 | До2 | Б2 | n-φd2 | |||||
| 800С-22 | 6 | Y450-8 | 450 | 380 | 2080 | 450 | 1650 | 1120 | 800 | 4-Ф35 | 800 | 4190 | 1191 | 800 | 1015 | 950 | 42 | 24-Ф33 |
| Y450-10 | 250 | 2080 | 450 | 1650 | 1120 | 800 | 4-Ф35 | 4190 | 1191 | |||||||||
| 800С-22А | Y450-8 | 315 | 2080 | 450 | 1650 | 1120 | 800 | 4-Ф35 | 4190 | 1191 | ||||||||
| Y355l-10 | 185 | 1590 | 355 | 990 | 630 | 610 | 4-Ф28 | 3700 | 1050 | |||||||||
| Y450-10 | 200 | 2080 | 450 | 1650 | 1120 | 800 | 4-Ф35 | 4190 | 1191 | |||||||||
| 800С-32 | 7 | Y500-8 | 630 | 6000 | 2220 | 500 | 1900 | 1250 | 900 | 4-Ф42 | 4530 | 1457 | ||||||
| Y450-10 | 315 | 2080 | 450 | 1650 | 1120 | 800 | 4-Ф35 | 4390 | 1337 | |||||||||
| 800С-32А | Y450-8 | 450 | 2080 | 450 | 1650 | 1120 | 800 | 4-Ф35 | 4390 | 1337 | ||||||||
| Y450-10 | 250 | 2080 | 450 | 1650 | 1120 | 800 | 4-Ф35 | 4390 | 1337 | |||||||||
| 800С-47 | 8 | Y1000-8/1180 | 1000 | 2480 | 930 | 1690 | 1800 | 1400 | 4-Ф48 | 4990 | 1368 | |||||||
| Y500-10 | 450 | 2220 | 500 | 1900 | 1250 | 900 | 4-Ф42 | 4730 | 1593 | |||||||||
| 800-е-47а | Y500-8 | 710 | 2220 | 500 | 1900 | 1250 | 900 | 4-Ф42 | 4730 | 1593 | ||||||||
| Y450-10 | 355 | 2080 | 450 | 1650 | 1120 | 800 | 4-Ф35 | 4590 | 1473 | |||||||||
| 800С-76 | Y1600-8/1430 | 1600 | 2690 | 950 | 1860 | 1900 | 1750 | 4-Ф48 | 1000 | 4970 | 1423 | |||||||
| Y800-10/1180 | 800 | 2380 | 930 | 1690 | 1700 | 1400 | 4-Ф48 | 4660 | 1343 | |||||||||
| 800С-76А | Y1250-8/1430 | 1250 | 2540 | 930 | 1860 | 1800 | 1750 | 4-Ф48 | 4820 | 1373 | ||||||||
| Y500-10 | 630 | 2220 | 500 | 1900 | 1250 | 900 | 4-Ф42 | 4500 | 1568 | |||||||||
| 800С-76Б | Y1000-8/1180 | 1000 | 2480 | 930 | 1690 | 1800 | 1400 | 4-Ф48 | 4760 | 1343 | ||||||||
| Y500-10 | 500 | 2220 | 500 | 1900 | 1250 | 900 | 4-Ф42 | 4500 | 1568 | |||||||||
| Тип | Двигатель | Ножной клапан Р=0,25МПа |
Фильтр для воды (Код) |
Привод Р = 1 МПа |
Обратный клапан Р = 1 МПа |
Комическая рвота труба (код) |
Фундамент (Код) |
Б4201 | |
| Тип | Власть (КВт) |
Ключ-крючок | |||||||
| (Код) | |||||||||
| 150С-100 | Y280S-2 | 75 | Φ150 | — | Φ150 | Φ150 | З100×10-150×10 | 150С100-И280С-2 | 4552 |
| 150С-78 | Я250М-2 | 55 | Φ150 | — | Φ150 | Φ150 | З100×10-150×10 | 150С78-Я250М-2 | 4552 |
| 150С-78А | Y225M-2 | 45 | 150С78-Я225М-2 | ||||||
| 150С-50 | Y200L2-2 | 37 | Φ150 | — | Φ150 | Φ150 | З100×10-150×10 | 150С50-И200Л-2 | 4552 |
| 150С-50А | Y200L1-2 | 30 | |||||||
| 150С-50Б | Я180М-2 | 22 | 150С50-Я180М-2 | ||||||
| 200С-95 | Я315м-2 | 132 | Φ200 | — | Φ200 | Φ200 | З125×10-200×10 | 200С95-у315м-2 | 6872 |
| 200С-95А | Y315S-2 | 110 | 200С95-И315С-2 | ||||||
| 200С-95Б | Y280S-2 | 75 | 200С95-И280С-2 | ||||||
| 200С-63 | Y280S-2 | 75 | Φ200 | — | Φ200 | Φ200 | З150×10-200×10 | 200С63-И280С-2 | 4552 |
| 200С-63А | Я250М-2 | 55 | 200С63-Я250М-2 | ||||||
| 200С-42 | Y225M-2 | 45 | Φ200 | — | Φ200 | Φ200 | З150×10-200×10 | 200С42-у225м-2 | 4552 |
| 200С-42А | Y200L2-2 | 37 | 200С42-И200Л-2 | ||||||
| 250С-65 | Я315м-4 | 132 | Φ250 | — | Φ 250 | Φ250 | З150×10-250×10 | 250с65-у315м-4 | 7885 |
| 250с-65А | Я280М-4 | 90 | 250С65-Я280М-4 | ||||||
| 250С-39 | Y280S-4 | 75 | Φ250 | Φ250 | Φ250 | З200×10-250×10 | 250с39-у280с-4 | 6872 | |
| 250с-39а | Я250М-4 | 55 | Φ250 | — | Φ250 | Φ250 | З200×10-250×10 | Д250С-39а-у250м-4 | 6872 |
| 250С-24 | Y225M-4 | 45 | Φ250 | — | Φ250 | Φ250 | З200×10-250×10 | 250с24-у225м-4 | 6872 |
| 250С-24А | Y225S-4 | 37 | 250с24-у225с-4 | ||||||
| 250С-14 | Y200L-4 | 30 | Φ250 | — | Φ250 | — | З200×10-250×10 | 250С14-И200Л-4 | 4552 |
| 250С-14А | Я180М-4 | 18.5 | 250С14-Я180М-4 | ||||||
| 300С-90 | Y355l-4 | 315 | Φ300 | — | Φ300 | Φ300 | З200×10-300×10 | 300С90-И355Л(М) | 9095 |
| 300С-90А | Y355l-4 | 280 | |||||||
| 300С-90Б | Я355м-4 | 220 | |||||||
| 300С-58 | Y315l2-4 | 200 | Φ300 | — | Φ300 | Φ300 | З250×10-300×10 | 300С58-И315Л-4 | 7885 |
| 300С-58А | Y315l1-4 | 160 | |||||||
| 300С-58Б | Я315м-4 | 132 | 300С58-Я315М-4 | ||||||
Примечание: конус ствола и крюковый ключ входят в комплект поставки насоса, другие могут быть предоставлены в соответствии с требованиями заказа.
| Тип | Двигатель | Ножной клапан Р=0,25МПа |
Фильтр для воды (Код) |
Привод Р = 1 МПа |
Обратный клапан Р = 1 МПа |
Комическая рвота труба (код) |
Фундамент (Код) |
Б4201 | |
| Тип | Власть (КВт) |
Ключ-крючок | |||||||
| (Код) | |||||||||
| 300С-32 | Я280М-4 | 90 | Φ300 | — | Φ300 | Φ300 | З250×10-300×10 | 300С32-Я280М-4 | 7885 |
| 300С-32А | Y280S-4 | 75 | 300С32-И280С-4 | ||||||
| 300С-19 | Я250М-4 | 55 | Φ300 | — | Φ300 | Φ300 | З250×10-300×10 | 300С19-Я250М-4 | 6872 |
| 300С-19А | Y225M-4 | 45 | 300С19-Я225М-4 | ||||||
| 300С-12 | Y225S-4 | 37 | Φ300 | — | Φ300 | — | — | 300С12-И225С-4 | 6872 |
| 300С-12А | Y200L-4 | 30 | 300С12-И200Л-4 | ||||||
| 350С-125 | Y4502-4 | 710 | — | Л350 (73) |
Φ350 | Φ350 | З200×16-350×16 | — | 100110 |
| 350С-125А | Y4501-4 | 630 | |||||||
| 350С-125Б | Y4004-4 | 500 | |||||||
| 350С-75 | Y4001-4 | 365 | — | Л350 (73) |
Φ350 | Φ350 | З250×10-350×10 | — | 9095 |
| 350с-75а | Y355l-4 | 280 | 350С75-И355(М)Л-4 | ||||||
| 350с-75Б | Я355м-4 | 220 | |||||||
| 350С-44 | Я355м-4 | 220 | — | Л350 (73) |
Φ350 | Φ350 | З300×10-350×10 | 350С44-И355М(Л)-4 | 9095 |
| 350С-44А | Y315l1-4 | 160 | 350С44-И315Л-4 | ||||||
| 350С-26 | Я315м-4 | 132 | Л350 (73) |
Φ350 | Φ350 | З300×10-350×10 | 350с26-у315м-4 | 7885 | |
| 350с-26А | Я280М-4 | 90 | 350с26-у280м-4 | ||||||
| 350С-16 | Y280S-4 | 75 | — | Л350 (73) |
Φ500 | — | — | 350С16-И280С-4 | 6872 |
| 350С-16А | Я250М-4 | 55 | 350С16-Я250М-4 | ||||||
| 500С-98 | Y5002-6 | 800 | — | Л500 (73) |
Φ500 | Φ500 | — | — | 135145 |
| 500С-98А | Y5001-6 | 710 | |||||||
| 500С-98Б | Y4503-6 | 560 | |||||||
| 500С-59 | Y4501-6 | 450 | — | Л500 (73) |
Φ500 | Φ500 | З350×10-500×10 | — |
100110 115130 |
| 500С-59А | Y4005-6 | 400 | |||||||
| 500С-59Б | Y4003-6 | 315 | |||||||
| 500С-35 | Y4002-6 | 280 | — | Л500 (73) |
Φ500 | Φ500 | З350×10-500×10 | — | 9095 |
| 500С-35А | Y3553-6 | 220 | |||||||
| 500С-22 | Y3553-6 | 220 | — | Л500 (73) |
Φ500 | Φ500 | — | — | 7885 |
| 500С-22А | Y315l2-6 | 132 | 500С22-И315Л-6 | ||||||
Примечание: конус ствола и крюковый ключ входят в комплект поставки насоса, другие могут быть предоставлены в соответствии с требованиями заказа.
| Тип | Двигатель | Ножной клапан Р=0,25МПа |
Фильтр для воды (Код) |
Привод Р = 1 МПа |
Обратный клапан Р = 1 МПа |
Комическая рвота труба (код) |
Фундамент (Код) |
Б4201 | |
| Тип | Власть (КВт) |
Ключ-крючок | |||||||
| (Код) | |||||||||
| 500С-13 | Y355l1-6 | 110 | — | Л500 (73) | Φ500 | Φ500 | — | — | 7885 |
| 600С-75 | Y5003-6 | 900 | — | Л600 (73) |
Φ500 | Φ500 | З400×10-500×10 | — | 135145 |
| 600С-75А | Y5002-6 | 800 | |||||||
| 600С-47 | Y4503-6 | 560 | — | Л600(73) | Φ500 | Φ500 | З400×10-500×10 | — | 135145 |
| 600С-32 | Y4005-6 | 400 | — | Л600 (73) |
Φ500 | Φ500 | — | — |
100110 115130 |
| 600С-32А | Y4002-6 | 280 | |||||||
| 600С-32Б | Y3554-6 | 250 | |||||||
| 600С-22 | Y3554-6 | 250 | — | Л600 (73) |
Φ500 | Φ500 | — | — | 9095 |
| 600С-22А | Y3553-6 | 220 | |||||||
| 800С-22 | Y450-8 | 450 | — | Л800 | Φ600 | Φ600 | — | — | 9095 |
| Y450-10 | 250 | ||||||||
| 800С-22А | Y450-8 | 315 | |||||||
| Y355l-10 | 185 | ||||||||
| Y450-10 | 200 | ||||||||
| 800С-32 | Y500-8 | 630 | — | Л800 | Φ600 | Φ600 | — | — | 100110 |
| Y450-10 | 315 | ||||||||
| 800С-32А | Y450-8 | 450 | |||||||
| Y500-10 | 250 | ||||||||
| 800С-47 | Y1000-8/1180 | 1000 | — | Л800 | Φ600 | Φ600 | — | — | 135145 |
| Y500-10 | 450 | ||||||||
| 800-е-47а | Y500-8 | 710 | |||||||
| Y450-10 | 355 | ||||||||
| 800С-76 | Y1600-8/1430 | 1600 | — | Л800 | Φ800 | Φ800 | — | — | 135145 |
| Y800-10/1180 | 800 | ||||||||
| 800С-76А | Y1250-8/1430 | 1250 | |||||||
| Y500-10 | 630 | ||||||||
| 800С-76Б | Y1000-8/1180 | 1000 | |||||||
| Y500-10 | 500 | ||||||||
Примечание: конус ствола и крюковый ключ входят в комплект поставки насоса, другие могут быть предоставлены в соответствии с требованиями заказа.