Рабочее колесо и лопасть высококачественного чугунного канализационного насоса ZEN WQAS изготовлены из высокохромистой нержавеющей стали 420 с твердостью HRC49-52 и обладают хорошей износостойкостью.
![]() |
Основание кабеля из эпоксидной смолы Сердечник кабеля из эпоксидной смолы предотвращает попадание влаги в двигатель через жилу. |
![]() |
Высококачественный прецизионный чугун. Начиная с 3 кВт используйте 3 тяжелых подшипника. Электростатор из холодной стали 800# |
![]() |
Автоматическая обрезка термозащиты Автоматическое отключение термозащиты. Автоматическое отключение термозащиты активируется и автоматически отключает питание, когда двигатель работает ненормально и чрезмерно. |
![]() |
Механическое уплотнение Двойное механическое уплотнение состоит из двух последовательно соединенных уплотнений. Превосходное износостойкое механическое уплотнение из карбида кремния обеспечивает наилучший эффект уплотнения. |
Рабочее колесо режущего станка с режущим кольцом
1. Рабочее колесо спроектировано без засорения, конструкция рациональна.
2. Материал рабочего колеса и ножевого кольца — высокохромистая нержавеющая сталь 420, твердость HRC49–52, обладает хорошей износостойкостью.
1. 100% высококачественные медные электродвигатели.
2. Винты из нержавеющей стали.
3. Фрезы с покрытием из нержавеющей стали/нержавеющая сталь 304#.
4. Конструкция из двух-трех торцовых уплотнений.
5. Статор из кремниевой стали.
6. Чугун для высококачественных HT200/250.
7. Холодная сталь № 600–800, более длительный срок службы, более низкая температура двигателя.
8. Высококачественные подшипники.
9. Полная конструкция головки насоса для поддержания стабильной работы.
|
|
Проекты | Примечания |
| Ограничения по использованию | Температура жидкости. | 0 ~ 40°C (32 ~ 104°F) |
| Приложение | Бытовые/производственные сточные воды | |
| Тип | Частота | 50 Гц или 60 Гц |
| Электродвигатель | 2P (2900 об/мин или 3450 об/мин) | |
| Изоляционные материалы | Категория F | |
| Защита | IP68 | |
| Защитник | Однофазный автоматический выключатель тепловой защиты (трехфазный ноль) | |
| Несущий | Шариковый тип, 2–3 тяжелых подшипника | |
| Механическое уплотнение | Двойные уплотнения М. | |
| Колесо | Вихрь + резак |
| Модель | Электричество | Максимальный напор | Максимальный поток | Скидка | ||
| кВт | HP | M | м³/ч | Дюйм | мм | |
| 50WQ10-10-1.1AS | 1.1 | 1.5 | 16 | 20 | 2" | 50 |
| 50WQ15-15-1.5АС | 1.5 | 2 | 19 | 24 | 2" | 50 |
| 50WQ15-20-2.2AS | 2.2 | 3 | 33 | 28 | 2" | 50 |
| 50WQ15-26-3AS | 3 | 4 | 32 | 35 | 2" | 50 |
| 50WQ15-30-4АС | 4 | 5.5 | 31 | 34 | 2" | 50 |
| 65WQ25-10-1,5АС | 1.5 | 2 | 17 | 40 | 2,5 дюйма | 65 |
| 65WQ25-15-2.2АС | 2.2 | 3 | 23 | 47 | 2,5 дюйма | 65 |
| 65WQ25-20-3AS | 3 | 4 | 26 | 49 | 2,5 дюйма | 65 |
| 65WQ25-26-4АС | 4 | 5.5 | 34 | 57 | 2,5 дюйма | 65 |
| 65WQ25-30-5.5АС | 5.5 | 7.5 | 36 | 63 | 2,5 дюйма | 65 |
| 65WQ25-35-7.5АС | 7.5 | 10 | 39 | 65 | 2,5 дюйма | 65 |
| 65WQ30-58-18.5АС | 18.5 | 25 | 59 | 80 | 2,5 дюйма | 65 |
| 80WQ40-10-2.2AS | 2.2 | 3 | 17 | 59 | 3" | 80 |
| 80WQ40-15-3AS | 3 | 4 | 21 | 63 | 3" | 80 |
| 80WQ40-20-4AS | 4 | 5.5 | 25 | 72 | 3" | 80 |
| 80WQ45-22-5.5АС | 5.5 | 7.5 | 31 | 82 | 3" | 80 |
| 80WQ45-25-7.5АС | 7.5 | 10 | 37 | 93 | 3" | 80 |
| 80WQ45-46-15АС | 15 | 20 | 57 | 104 | 3" | 80 |
| 80WQ45-52-18.5АС | 18.5 | 25 | 61 | 106 | 3" | 80 |
| 80WQ45-58-22АС | 22 | 30 | 74 | 110 | 3" | 80 |
| 100WQ60-9-3AS | 3 | 4 | 19 | 70 | 4" | 100 |
| 100WQ60-13-4AS | 4 | 5.5 | 27 | 93 | 4" | 100 |
| 100WQ65-15-5.5АС | 5.5 | 7.5 | 21 | 102 | 4" | 100 |
| 100WQ80-35-15АС | 15 | 20 | 51 | 153 | 4" | 100 |
| 100WQ100-13-7.5АС | 7.5 | 10 | 28 | 125 | 4" | 100 |
| 150WQ100-7-5.5АС | 5.5 | 7.5 | 23 | 136 | 6 дюймов | 150 |
| 150WQ120-12-7.5АС | 7.5 | 10 | 29 | 164 | 6 дюймов | 150 |
| Нет. | Имя |
| 1 | Несущий |
| 2 | ось двигателя |
| 3 | Корпус двигателя |
| 4 | Электротехнические материалы |
| 5 | Несущий |
| 6 | Механическое уплотнение |
| Сальник | |
| 7 | Корпус насоса |
| 8 | Диск + режущая пластина |
| 9 | Скидка |
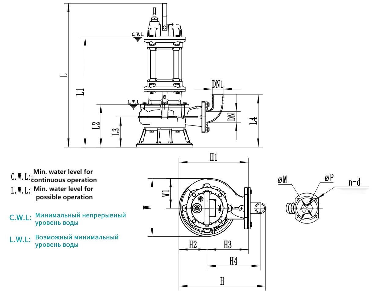
| Модель. | DN | Ду1 | L | Л1 | Л2 | Л3 | Л4 | W | П1 | H | H1 | Н2 | Н3 | Н4 | M | н-д | P |
| 50WQ10-10-1.1AS | 50 | 51 | 570 | 420 | 155 | 108 | 195 | 205 | 103 | 386 | 251 | 103 | 148 | 257 | 110 | 4-Φ14 | 140 |
| 50WQ15-15-1.5АС | 50 | 51 | 590 | 440 | 166 | 118 | 239 | 243 | 122 | 413 | 278 | 122 | 156 | 265 | 110 | 4-Φ14 | 140 |
| 50WQ15-20-2.2AS | 50 | 51 | 610 | 460 | 166 | 118 | 239 | 243 | 122 | 413 | 278 | 122 | 156 | 265 | 110 | 4-Φ14 | 140 |
| 50WQ15-26-3AS | 50 | 51 | 650 | 495 | 182 | 132 | 253 | 262 | 131 | 435 | 300 | 131 | 169 | 278 | 110 | 4-Φ14 | 140 |
| 50WQ15-30-4АС | 50 | 51 | 690 | 525 | 182 | 132 | 253 | 262 | 131 | 435 | 300 | 131 | 169 | 278 | 110 | 4-Φ14 | 140 |
| 65WQ25-10-1,5АС | 65 | 64 | 600 | 450 | 176 | 123 | 244 | 243 | 122 | 399 | 286 | 122 | 164 | 245 | 130 | 4-Φ14 | 160 |
| 65WQ25-15-2.2АС | 65 | 64 | 620 | 460 | 176 | 123 | 244 | 243 | 122 | 399 | 286 | 122 | 164 | 245 | 130 | 4-Φ14 | 160 |
| 65WQ25-20-3AS | 65 | 64 | 655 | 500 | 190 | 135 | 256 | 266 | 133 | 429 | 316 | 133 | 183 | 264 | 130 | 4-Φ14 | 160 |
| 65WQ25-26-4АС | 65 | 64 | 695 | 530 | 190 | 135 | 256 | 266 | 133 | 429 | 316 | 133 | 183 | 264 | 130 | 4-Φ14 | 160 |
| 65WQ25-30-5.5АС | 65 | 64 | 740 | 570 | 203 | 147 | 268 | 300 | 150 | 467 | 354 | 150 | 204 | 285 | 130 | 4-Φ14 | 160 |
| 65WQ25-35-7.5АС | 65 | 64 | 770 | 600 | 203 | 147 | 268 | 300 | 150 | 467 | 354 | 150 | 204 | 285 | 130 | 4-Φ14 | 160 |
| 65WQ30-58-18.5АС | 65 | 64 | 995 | 757 | 234 | 174 | 298 | 336 | 168 | 495 | 400 | 168 | 232 | 295 | 130 | 4-Φ14 | 160 |
| 80WQ40-10-2.2AS | 80 | 74 | 630 | 470 | 178 | 125 | 260 | 255 | 133 | 413 | 300 | 122 | 178 | 254 | 150 | 4-Φ18 | 190 |
| 80WQ40-15-3AS | 80 | 74 | 665 | 510 | 197 | 139 | 274 | 267 | 137 | 433 | 320 | 131 | 189 | 265 | 150 | 4-Φ18 | 190 |
| 80WQ40-20-4AS | 80 | 74 | 705 | 540 | 197 | 139 | 274 | 267 | 137 | 433 | 320 | 131 | 189 | 265 | 150 | 4-Φ18 | 190 |
| 80WQ45-22-5.5АС | 80 | 74 | 750 | 580 | 211 | 151 | 286 | 300 | 150 | 477 | 364 | 150 | 214 | 290 | 150 | 4-Φ18 | 190 |
| 80WQ45-25-7.5АС | 80 | 74 | 780 | 610 | 211 | 151 | 286 | 300 | 150 | 477 | 364 | 150 | 214 | 290 | 150 | 4-Φ18 | 190 |
| 80WQ45-46-15АС | 80 | 74 | 960 | 722 | 234 | 174 | 313 | 336 | 168 | 508 | 400 | 168 | 232 | 303 | 150 | 4-Φ18 | 190 |
| 80WQ45-52-18.5АС | 80 | 74 | 995 | 757 | 234 | 174 | 313 | 336 | 168 | 508 | 400 | 168 | 232 | 303 | 150 | 4-Φ18 | 190 |
| 80WQ45-58-22АС | 80 | 74 | 1040 | 802 | 234 | 174 | 313 | 336 | 168 | 508 | 400 | 168 | 232 | 303 | 150 | 4-Φ18 | 190 |
| 100WQ60-9-3AS | 100 | 102 | 680 | 525 | 215 | 144 | 302 | 285 | 152 | 491 | 335 | 135 | 200 | 305 | 170 | 4-Φ18 | 210 |
| 100WQ60-13-4AS | 100 | 102 | 720 | 555 | 215 | 144 | 302 | 285 | 152 | 491 | 335 | 135 | 200 | 305 | 170 | 4-Φ18 | 210 |
| 100WQ65-15-5.5АС | 100 | 102 | 765 | 595 | 229 | 160 | 318 | 313 | 163 | 534 | 378 | 150 | 228 | 333 | 170 | 4-Φ18 | 210 |
| 100WQ80-35-15АС | 100 | 102 | 975 | 735 | 247 | 181 | 333 | 347 | 180 | 567 | 411 | 168 | 243 | 348 | 170 | 4-Φ18 | 210 |
| 100WQ100-13-7.5АС | 100 | 102 | 795 | 625 | 229 | 160 | 318 | 313 | 163 | 534 | 378 | 150 | 228 | 333 | 170 | 4-Φ18 | 210 |
| 150WQ100-7-5.5АС | 150 | 149 | 765 | 595 | 229 | 160 | 374 | 313 | 163 | 585 | 378 | 150 | 228 | 360 | 225 | 8-Φ18 | 265 |
| 150WQ120-12-7.5АС | 150 | 149 | 795 | 625 | 229 | 160 | 374 | 313 | 163 | 585 | 378 | 150 | 228 | 360 | 225 | 8-Φ18 | 265 |
Серия 50WQ(D)S-CF Режущий незасоряющийся канализационный насос из нержавеющей стали
Канализационный насос из нержавеющей стали WQV
WQS-G Шлифовальный канализационный насос из нержавеющей стали
WQD - Шлифовальный станок C 2P Чугунный канализационный насос
Чугунный канализационный насос WQ-C 4P
Автоматическая муфта переменного тока